Monolithic Power Systems (MPS) MP3921 Single-Port PSE Power Controller

Monolithic Power Systems (MPS) MP3921 Single-Port Power-Sourcing Equipment (PSE) Power Controller is designed for IEEE 802.3af/at-compliant Power over Ethernet (PoE) applications. The MP3921 includes all the functions of IEEE 802.3af/at, including detection, single-event and two-event classification, current limiting, and disconnected load detection. All functions can be configured to operate in automatic or software configuration mode via I2C.

The Monolithic Power Systems (MPS) MP3921 features a 9-bit analog-to-digital converter (ADC) for current and voltage monitoring, a dedicated I2C interface for isolated controller communication, adjustable current limits, and configurable system functions. These features provide flexibility for PoE applications. The MP3921 is available in a QFN-32 (5mm x 5mm) package.

Features

  • IEEE802.3af/at compliant
  • 0.25Ω current-sense resistor (RSENSE)
  • Automatic mode and I2C command control mode
  • Internal VCC power supply
  • Three-wire I2C interface for isolated applications
  • Two INT pins for interrupt priority selection
  • Disconnected DC load detection
  • Instantaneous current/voltage readout
  • Configurable I2C address
  • Thermal protection
  • Available in a QFN-32 (5mm x 5mm) package

Applications

  • Power-Sourcing Equipment (PSE) switches/routers
  • PSE midspan power injectors
  • Surveillance Network Video Recorders (NVRs) and Digital Video Recorders (DVRs)

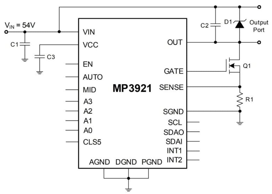
Typical Application Circuit

Application Circuit Diagram - Monolithic Power Systems (MPS) MP3921 Single-Port PSE Power Controller
Published: 2026-02-03 | Updated: 2026-02-05