Monolithic Power Systems (MPS) EVQ4371-V-1000-00A Evaluation Board
Monolithic Power Systems (MPS) EVQ4371-V-1000-00A Evaluation Board is designed to demonstrate the capabilities of the MPQ4371 synchronous step-down switching regulators. The MPQ4371 switching regulators cover a 6A to 11A output current (IOUT) range and employ Zero-Delay PWM (ZDP™) control. These switching regulators feature a wide 3.3V to 36V input voltage range and accommodate a variety of step-down applications in automotive input environments. The MPQ4371 switching regulators are available in a QFN-23 (4mm x 5mm) or TQFN-23 (4mm x 5mm) package with wettable flanks.Features
- Designed for automotive transients:
- 3.3V to 36V input voltage (VIN) range
- Up to 42V load dump
- Low-Dropout (LDO) mode
- Available in AEC-Q100 Grade 1
- Highly scalable family:
- 6A to 11A output current (IOUT) versions in pin-compatible family
- Up to 8 phases multi-phase capabilities
- Designed for high-performance and reduced component overhead:
- Zero-Delay Pulse-Width Modulation (ZDP™) control for fast transient response and fewer capacitors
- ±1% output accuracy
- Fixed or adjustable output voltage (VOUT) options
- 1V, 1.2V, 1.8V, 2.5V, 3.3V, and 3.8V fixed output
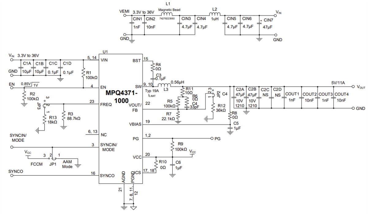
Evaluation Board Schematic
Published: 2025-04-22
| Updated: 2025-05-01
