Monolithic Power Systems (MPS) EVM3690-30A-BF-00A Evaluation Board

Monolithic Power Systems (MPS) EVM3690-30A-BF-00A Evaluation Board is designed to demonstrate the capabilities of the MPM3690-30A power module. This is a fully integrated, high-efficiency, synchronous, step-down power module. The MPM3690-30A adopts internally compensated Constant-On-Time (COT) control to provide the fast transient response and ease loop stabilization. This evaluation board features Adjustable Switching Frequency (FSW), Adjustable Soft-Start Time (TSS), Over-Current Protection (OCP), Over-Voltage Protection (OVP), and Ultra-Fast Transient Enabled by Constant-On-Time (COT) control.

Features

  • Adjustable Switching Frequency (FSW)
  • Adjustable Soft-Start Time (TSS)
  • Over-Current Protection (OCP)
  • Over-Voltage Protection (OVP)
  • Differential remote sense for both output channels
  • Ultra-Fast transient enabled by Constant-On-Time (COT) control
  • Pin-Compatible, Dual 18A output power modules

Specifications

  • 3.2V to 16V input voltage range
  • 0.6V to 3.3V output voltage range
  • 18A of output current
  • 500kHz of default switching frequency
  • 92.96% of peak efficiency 
  • 91.28% of full load efficiency

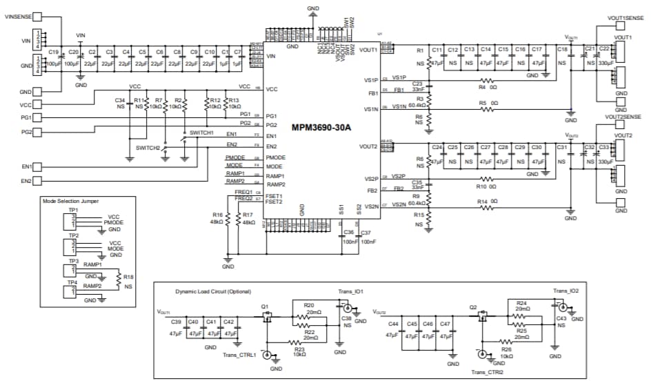
Schematic Diagram

Schematic - Monolithic Power Systems (MPS) EVM3690-30A-BF-00A Evaluation Board
Published: 2022-01-31 | Updated: 2022-03-11