Mini-Circuits EP2 2-Way & EP4 4-Way Power Splitter/Combiners
Mini-Circuits EP2RCW, EP2RKU+, EP4RKU+, and EP4KA+ Surface-Mount MMIC 2-Way and 4-Way Power Splitter/Combiners are designed for wideband operation from DC to 8GHz/18GHz/31GHz. Mini-Circuits EP2 and EP4 Splitter/Combiners offer excellent isolation and amplitude unbalance and support many applications requiring high performance across a wide frequency range, including all the LTE bands through WiMax and Wi-Fi®.Features
- DC to 8GHz/18GHz/31GHz wideband operation
- Excellent isolation
- 21dB typical at 4GHz (EP2RCW+)
- 21dB typical at 12GHz (EP2RKU+)
- 20dB typical at 12GHz (EP4KA+)
- 20dB typical at 9GHz (EP4RKU+)
- 2-Way-0° (EP2) or 4-Way-0° (EP4)
- 50Ω impedance
- -55°C to +105°C operating temperature range
Applications
- WiMAX
- ISM
- Instrumentation
- Radar
- WLAN
- Satellite communications
- LTE
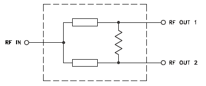
EP2 Schematic
EP4 Schematic
Published: 2020-07-30
| Updated: 2024-05-08
