Mikroe MIKROE-2036 Heart rate 3 click
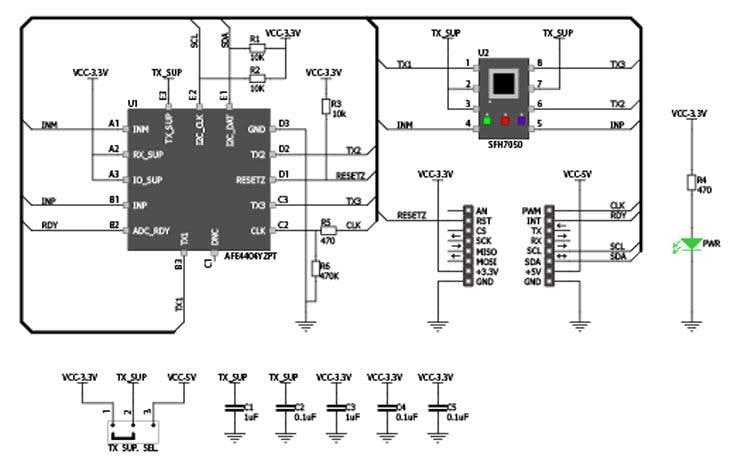
Mikroe MIKROE-2036 Heart rate 3 click is a mikroBUS add-on board with an OSRAM SFH7050 heart rate module and a TI AFE4404 analog-front-end IC. The SFH7050 multichip package contains 3 LEDs and one photodiode separated with a light barrier to prevent optical crosstalk. The AFE4404 is adaptable for different lighting conditions or skin tones making the Heart rate 3 clicks a robust heart rate monitoring solution.The board uses the mikroBUS™ I2C interface to communicate with a target MCU. Additional functionality is provided by RST, CLK, and RDY pins.
Heart rate 3 click works with a 3.3V power supply and an onboard jumper allows for driving the SFH7050 LEDs at either 3.3V or 5V.
Features
- OSRAM SFH7050 heart rate module
- TI AFE4404 analog-front-end IC
- I2C interface
- 3.3V or 5V power supply
- Separate optical and signal processing circuitry
- Highly configurable
- Ready-to-use examples save development time
- Works in all Mikroe compilers
Applications
- Optical heart rate monitoring
Schematic
Published: 2016-09-27
| Updated: 2022-03-11
