Microchip Technology SAM R35 LoRa® Sub-GHz SiP Microcontrollers

Microchip Technology SAM R35 LoRa® Sub-GHz System-in-Package (SiP) Microcontrollers feature a 32-bit Arm® Cortex-M0+ processor that runs up to 48MHz (maximum) (2.46 CoreMark/MHz). The SAM R35 family offers 256KB of flash and 40KB of SRAM and includes an area of battery-backed-up SRAM. These R35 MCUs are ultra-low power MCUs equipped with a UHF transceiver that supports LoRa and FSK modulation. The SAM R35 LoRa SiP family devices have accurate low-power external and internal oscillators. These SAM R35 MCUs include four software-selectable sleep modes, like Idle, Standby, Backup, and Off-modes, supporting some internal operations. The SAM R35 MCUs operate at a 1.8V to 3.6V supply voltage range. These SAM R35 SiPs can significantly reduce the time to market for Internet of Things (IoT) designs.

The SAM R35 devices are supported with C compilers, macro assemblers, program debuggers/simulators, programmers, and evaluation kits. This MUCs LoRa technology is a spread spectrum protocol optimized for low data rates and ultra-long range signaling. The SAM R35 offers MCUs functions and the UHF transceiver without the USB interface. These SAM R35 MCUs are ideal for battery-powered remote sensors and controls.

Features

  • Operational features
    • Processor
      • RM Cortex -M0+ CPU running at up to 48MHz (2.46 CoreMark®/MHz)
      • Single-Cycle hardware multiplier
      • Micro Trace Buffer (MTB)
    • Memory
      • In-system self-programmable flash memory, with options for sizes 256KB, 128KB, or 64KB
      • Static Random Access Memory (SRAM) with options for sizes 32KB, 16KB, or 8KB
      • 8KB low-power RAM with battery backup retention (with 4KB option)
    • System
      • Power-on Reset (POR) and brown-out reset
      • External Interrupt Controller (EIC)
      • Up to 15 external interrupts
      • One non-maskable interrupt
      • Two-pin Serial Wire Debug (SWD) programming, test, and debugging interfaces
    • 1.8V to 3.6V operating voltage
    • Low power consumption
    • -40°C to 85°C (Industrial) temperature range
  • RF/Analog features
    • Integrated LoRa technology transceiver
    • High sensitivity
    • Up to 168dB (maximum) link budget
    • Robust front-end: IIp3 = -11dBm
    • Excellent blocking immunity
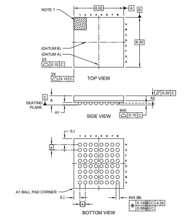
  • Package Information
    • 27 programmable I/O pins
    • 64 Lead Ball Grid Array (BGA)

Package Outline

Microchip Technology SAM R35 LoRa® Sub-GHz SiP Microcontrollers
Published: 2018-11-30 | Updated: 2022-12-20