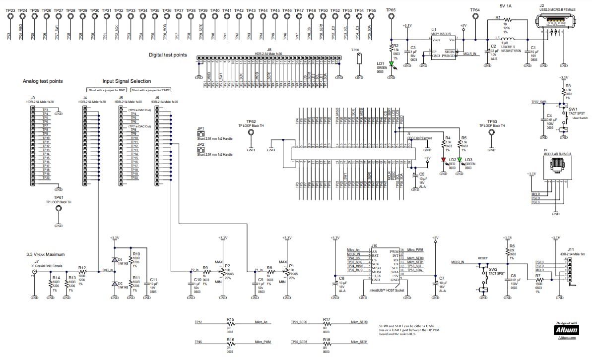
Microchip Technology DM330029 Digital Power Development Board
Microchip Technology DM330029 Digital Power Development Board provides the user with a flexible measurement platform for all compatible Microchip dsPIC33’s Digital Power Plug-In Modules (DP PIMs). This development board features a 3.6VDC to 6.3VDC input voltage range, <10mA current consumption, and 1A maximum load current. The DM330029 digital power development board consists of Digital GPIO test points and a pin header with a connection to the digital test points. This development board operates from 0°C to 65°C temperature range.Features
- Socket for DP PIM
- Digital GPIO test points and pin header with connection to the digital test points
- ADC and DAC test points
- External analog signal input
- Potentiometer for DC level insertion from GND to 3.3V, it can be connected to the lower half of the ADC inputs
- Potentiometer for DC level insertion from GND to 3.3V, it can be connected to the upper half of the ADC inputs
- Analog input connection jumpers
- User push button
- Reset push button
- mikroBUS™ socket
- ICSP™ header to program the on-board MCU (6-pin, 2.54mm header)
- ICSP™ header to program the on-board MCU (RJ25 connector)
- General purpose soldering pad area
- Solder pads for ground connection
- USB connector
- On-board LDO with Power Good (PG) function
- Power indicator LED (green)
- User LEDs (red and green)
Specifications
- 3.6VDC to 6.3VDC input voltage range
- <10mA current consumption
- 1A maximum load current
- 0°C to 65°C operating temperature range
Board Schematic
Additional Resource
Published: 2024-08-06
| Updated: 2025-07-30
