Microchip Technology Serial SuperFlash® Kit 2 (AC243008)
Microchip Technology Serial SuperFlash® Kit 2 (AC243008) enables the evaluation of Microchip Serial Flash Devices featuring Serial SuperFlash Technology (SST). The Serial SuperFlash Kit 2 includes three Serial Flash Daughter Boards. The Daughter Boards are designed to interface with the mikroBUS™ connector on the Explorer 16/32 Development Board (DM240001-2). They can also interface with the PICtail™ Plus connector located on the Explorer 16 Development Board (DM240001).Features
- 3-pin header for external power supply and power measurement capability
- Plugs into the mikroBUS connector of the Explorer 16/32 development board
- Plugs into the PICtail Plus connector of the Explorer 16 development board
- Follows published recommended usage, including decoupling capacitors
- Three Daughter Boards included
- 2Mbit Board with SST25VF020B SPI Flash Device
- 4Mbit Board with SST25PF040C SPI Flash Device
- 8Mbit Board with SST25WF080B SPI Flash Device
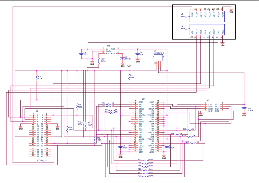
Schematic
Published: 2017-11-02
| Updated: 2022-03-29
