MaxLinear XR77103 Universal PMIC 3-Output Buck Regulators

MaxLinear XR77103 Universal PMIC 3-Output Programmable Buck Regulators feature three synchronous buck converters. Each converter is digitally programmable, requiring minimal external components. These converters operate in 5V, 9V, and 12V settings with integrated power switches. The output voltage of each converter can be adjusted by programming the values in the VOUT setting registers through an I2C interface. The adjustable range is 0.8V to 6.0V with 50mV resolution. Output voltages can be set externally using an external resistor divider. Output sequence among the outputs, soft-start time, and the peak inductor current limit are also assessed through I2C.

The switching frequency of the converters can either be set with I2C or can be synchronized to an external clock. The switching regulators are designed to operate from 300kHz to 2.2MHz. Each converter operates in phase or out of phase, according to the value in the phase setting register minimizing input filter requirements.

Features

  • Wide 4.5V to 14V input supply voltage range
  • Built-in MOSFET and synchronous rectifier
  • Non-volatile memory (NVM) with up to 10,000 times write operation
  • High 0.8V accuracy reference (1%)
  • Current-mode control with a simple compensation circuit
  • Power good
  • Pulse-skipping mode reduces switching losses
  • External synchronization
  • Thermal shutdown, overvoltage transient, and overcurrent protection
  • 32-pin, 4.0mm2, TQFN package

Applications

  • FPGA and DSP supplies
  • Video processor supplies
  • Applications processor power

Specifications

  • 0.8V to 6.0V output voltage ranges
  • Power-on sequence
  • 300kHz to 2.2MHz switching frequency range
  • 2kV ESD rating
  • Individual current limit
  • Optional power-saving mode at light loads
  • Temperature ranges
    • -40°C to +125°C junction
    • -65°C to +150°C storage

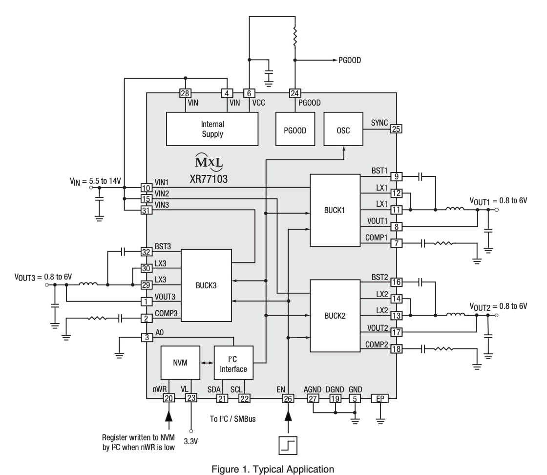
Typical Application Diagram

MaxLinear XR77103 Universal PMIC 3-Output Buck Regulators
Published: 2016-08-11 | Updated: 2022-03-11