Lumissil IS32LT3124 Linear LED Drivers

Lumissil IS32LT3124 Linear LED Drivers are programmable current regulators that consist of four output channels capable of up to 150mA each. The IS32LT3124 features individual external resistors set to the maximum current level for each channel. The outputs are combined for a higher current drive capability up to max 600mA. The IS32LT3124 features Dynamic Headroom Control (DHC) with an optional external PMOS FET. This minimizes IC thermal stress when the supply voltage exceeds the LED string forward voltage.

Features

  • 5V to 28V input supply voltage range
    • Withstand 42V load dump
  • Four output channels can source up to 150mA each
    • Four current set resistors
    • ±4% output current accuracy
    • Low dropout voltage of 1V max at 100mA
    • Combined for higher current capability with the same current accuracy
  • PWM dimming and shutdown control input
    • 100Hz to 300Hz power supply modulation (PSM)
    • 100Hz to 1kHz individual dimming via resistors of ISETx pins (IS32LT3124B/C only)
  • Dynamic Headroom Control (DHC) with an optional external PMOS FET to minimize IC thermal stress
    • Shunt regulator mode for heavy load
    • Series regulator mode for light load
  • Additional external undervoltage lockout (UVLO) threshold is programmable via EN pin (IS32LT3124A only)
  • Fault protection and reporting
    • Externally enable/disable fault reporting (IS32LT3124B/C only)
    • Programmable fault reporting output delay time
    • Fault condition disables all output (IS32LT3124A/B only)
    • Parallel fault connection (one-fail-all-fail)
    • LED string open/short
    • Single LED short (conditional)
    • ISET pin short
    • ISET pin open (IS32LT3124A only)
    • Overtemperature
  • AEC-Q100 qualification in progress
  • -40°C to +125°C operating temperature range

Applications

  • Automotive LED drivers
  • RGBW automotive ambient lighting
  • Taillights
  • Turn lights
  • Daytime running lights

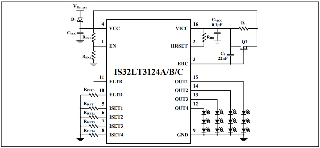
Typical Application Circuit

Application Circuit Diagram - Lumissil IS32LT3124 Linear LED Drivers
Published: 2020-06-16 | Updated: 2024-07-11