Littelfuse QS8004DHx 4A Over-Voltage Self-Protection TRIACs
Littelfuse QS8004DHx 4A Over-Voltage Self-Protection TRIACS are bi-directional solid-state switches with a high-voltage clamping function to withstand high over-voltage events. These sensitive gate TRIACs are directly driven by microprocessors, optocouplers, or isolators. The QS8004DHx TRIACs offer up to 800V voltage capability, up to 55A surge capability, and 0.3W average gate power dissipation. These TRIACs feature glass passivated junctions and restricted (or limited ) RFI generation.The QS8004DHx TRIACs include body material that complies with UL-recognized compounds meeting flammability rating 94V-0. These TRIACs are RoHS compliant and meet MSL Level 1 and ANSI/J-STD-002, category 3, and Test A solderability standards. The QS8004DHx TRIACs are used in fridges, air conditioner compressor controls, motor controls, industrial AC switching controls, and white goods applications.
Features
- Glass passivated junctions
- Solid-state switching eliminates arcing or contact bounce that creates voltage transients
- Restricted (or limited ) RFI generation based on the sine wave activation point
- No contacts to wear out from the reaction of switching events
- Requires a short gate activation pulse in each half-cycle
- Body material that complies with UL-recognized compounds meeting flammability rating 94V-0
- RoHS compliant
- Comply with MSL Level 1
- Comply with ANSI/J-STD-002, category 3, and Test A solderability standards
Specifications
- Up to 800V voltage capability
- Up to 55A surge capability
- 0.3W average gate power dissipation @TJ=125°C
- 4ARMS On-state current (full Sine wave) @TC=118°C
- -40°C to 125°C operating junction temperature range
Quadrants Definition
Performance Graph
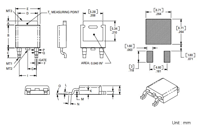
Mechanical Diagram
Published: 2023-05-04
| Updated: 2023-05-18
