Infineon Technologies IRAC1167 Daughterboards

Infineon Technologies IRAC1167 Daughterboards provide a demonstration platform for the IR1167 TO-220 MOSFET. The IRAC1167 Daughterboards provide an example application circuit, allowing rapid prototyping when incorporated into existing designs.

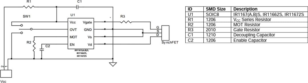
Schematic

Block Diagram - Infineon Technologies IRAC1167 Daughterboards
Published: 2016-09-30 | Updated: 2023-11-09