Honeywell BES LITE Battery Safety Electrolyte Detector
Honeywell BES LITE Battery Safety Electrolyte Detector selectively detects battery electrolyte vapor to provide advanced warning of potential thermal runaway in Lithium-Ion battery packs. The BES LITE-BM is the board-mount version of the device. This detector detects gases that are typically released during the initial phase of thermal runaway as well as throughout the entire thermal runaway process. The BES LITE detector features in-built diagnostics functionality that is enabled through the three-state analog output. This detector has an operational life of >10 years and is resistant to siloxane poisoning and cross-gas interference. The BES LITE detector is easy to install in tight spaces with its compact design and 3-state analog output, thereby simplifying integration. Typical applications include sealed and portable lithium-ion battery modules used in BESS, Urban Air Mobility (UAM)/Unmanned Aerial Vehicles (UAV), micro-mobility, portable batteries, and electric lawnmowers.Features
- Detects initial venting events before thermal runaway
- Provides early warning of thermal runaway events
- Selectively responds to electrolyte vapor
- Intrinsically safe with no internal heating element
- Inbuilt diagnostics functionality
- Low-profile, compact design
- Three-state analog output
- Customizable to specific application needs
- Compatible with all Lithium-ion battery chemistries and cell types
- Ten-year sensor life
- Resistant to common contaminants
- Highly resistant to siloxane poisoning
- Optimized for industrial applications
Specifications
- <2 seconds response time
- IP30 ingress protection
- 50g shock
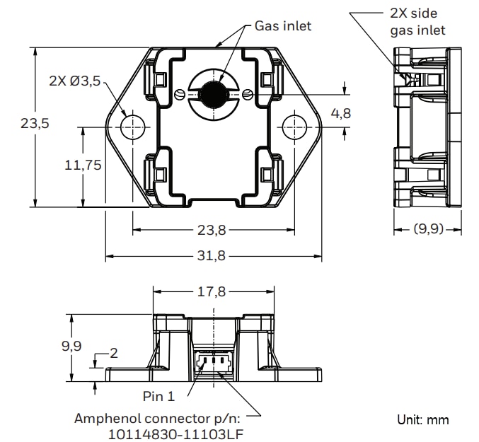
- 31.8mm x 23.5mm x 9.9mm dimensions
- 10%RH to 90%RH (non-condensing) humidity
- ESD (unpowered):
- ±8kV contact discharge (ISO 10605 - 2022)
- ±8kV air discharge (ISO 10605 - 2022)
- -20°C to 70°C operating temperature range
Applications
- Sealed and portable lithium-ion battery modules used in:
- Battery Energy Storage System (BESS)
- Urban Air Mobility (UAM)/Unmanned Aerial Vehicles (UAV)
- Micro-mobility (electric 2W/3W)
- Light industrial applications:
- Portable batteries
- Electric lawnmowers
Gaseous Media Inlets
Illustration of the Three-State Output
Electrical Connection
Dimensions Diagram
Datasheets
Additional Resources
Published: 2025-02-03
| Updated: 2025-06-23
