Guerrilla RF GRF5517W High Linearity Power Amplifier

Guerrilla RF GRF5517W High Linearity Power Amplifier is a high gain, two-stage InGaP HBT power amplifier. This GRF5517W power amplifier is designed to deliver excellent P1dB, ACLR, and IM3 performance over the 1700MHz to 1800MHz frequency band. The high linearity power amplifier incorporates exceptional native linearity that makes it an ideal choice for transmitter applications without the need for digital pre-distortion correction schemes. This GRF5517W power amplifier operates at a supply voltage of 5V and 225mA quiescent current. The GRF5517W power amplifier is AEC-Q100 Grade 2 qualified. Typical applications include cellular boosters, automotive compensators, picocells/femtocells, and customer-premise equipment.

Features

  • Excellent OP1dB, OIP3, ACLR and IM3 performance
  • Native linearity provides up to 23dBm POUT with >45dBc ACLR without the need for digital pre-distortion correction
  • Flexible biasing provides latitude for linearity optimization
  • Digital shutdown
  • Rugged design is extremely resilient to mismatched loads
  • Compact 3mm x 3mm QFN-16 package
  • Tested to AEC-Q100 Grade 2 qualification

Specifications

  • 23dBm linear output power maintained at 105°C
  • 5V supply voltage
  • 50Ω single-ended input and output impedances
  • 225mA native mode quiescent current consumption
  • -40°C to 105°C operating temperature range
  • 5V / 1747MHz / 225mA ICCQ reference:
    • Gain: 27.5dB gain 
    • 48dBm OIP3 @23dBm POUT/tone
    • 32dBm OP1dB 
    • 5.4dB noise figure

Applications

  • Cellular boosters
  • Automotive compensators
  • Picocells/femtocells
  • Customer premise equipment

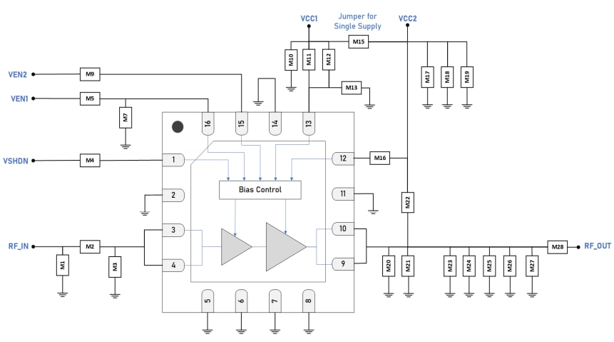
Schematic Diagram

Schematic - Guerrilla RF GRF5517W High Linearity Power Amplifier
Published: 2023-10-19 | Updated: 2023-11-06