Flex Power Modules BMR461 Series PoL Regulators
Flex Power Modules BMR461 Series PoL Regulators provide a 0.6V - 5.0V output voltage range and high efficiency, typ. 96% at 12Vin, 5Vout and 80% load, in a small package 12.2 x 12.2 x 8.0mm (0.48 x 0.48 x 0.315in). Flex BMR461 features configuration control and monitoring via PMBus, adaptive compensation of PWM control loop and fast loop transient response, synchronization input and phase spreading/interleaving, and voltage tracking and voltage margining.Features
- For narrow board pitch applications (15 mm/0.6 in)
- Pre-bias start-up and shut down
- Monotonic & Soft start Power up
- Input under-voltage shutdown
- OTP, output OVP, OCP
- Remote control & Power Good
- Differential sense pins
- Voltage setting via pin-strap or PMBus
- Advanced Configurable via Graphical User Interface
- ISO 9001/14001 certified supplier
- Highly automated manufacturing ensures quality
- Small package 12.2 x 12.2 x 8.0mm (0.48 x 0.48 x 0.315in)
- 0.6 V - 5.0 V output voltage range
- High efficiency, typ. 96 % at 12Vin, 5Vout and 80% load
- Configuration Control and Monitoring via PMBus
- Adaptive compensation of PWM control loop & fast loop transient response
- Synchronization input & phase spreading/interleaving
- Voltage Tracking & Voltage margining
- MTBF 24Mh
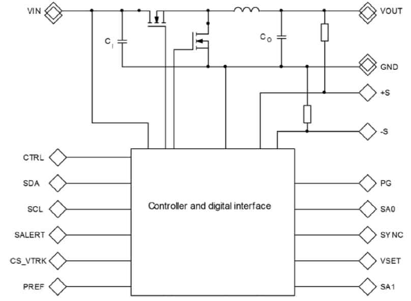
Block Diagram
Published: 2015-10-07
| Updated: 2022-03-11
