Diodes Incorporated DTH1006P5 Glass Passivated Fast Recovery Rectifier
Diodes Inc. DTH1006P5 Glass Passivated Fast Recovery Rectifier is a 600V peak repetitive reverse voltage (VRRM) rectifier in a thermally efficient PowerDI®5 package. The device has a 10A average rectified output current (IO) and a 120A non-repetitive peak forward surge current (IFSM). Its maximum forward voltage (VF) is 1.35V. The Diodes Inc. DTH1006P5 offers high surge current capability, low leakage current, and fast reverse-recovery time.Features
- Glass passivated die construction for high reliability
- Low-forward voltage drop
- Soft, hyper-fast switching capability
- Lead-free finish and RoHS-compliant
- Large exposed heatsink on the device underside provides good heatsinking to support high power dissipation
- Halogen and antimony-free Green device
Specifications
- PowerDI5 package
- Molded plastic package material with Green molding compound and has a flammability classification rating of UL 94V-0
- Moisture Sensitivity Level (MSL) 1 per J-STD-020
- Matte tin annealed finish over copper leadframe terminal and is solderable per MIL-STD-202, Method 208
- 0.096 grams (approx.) weight
Circuit Diagram
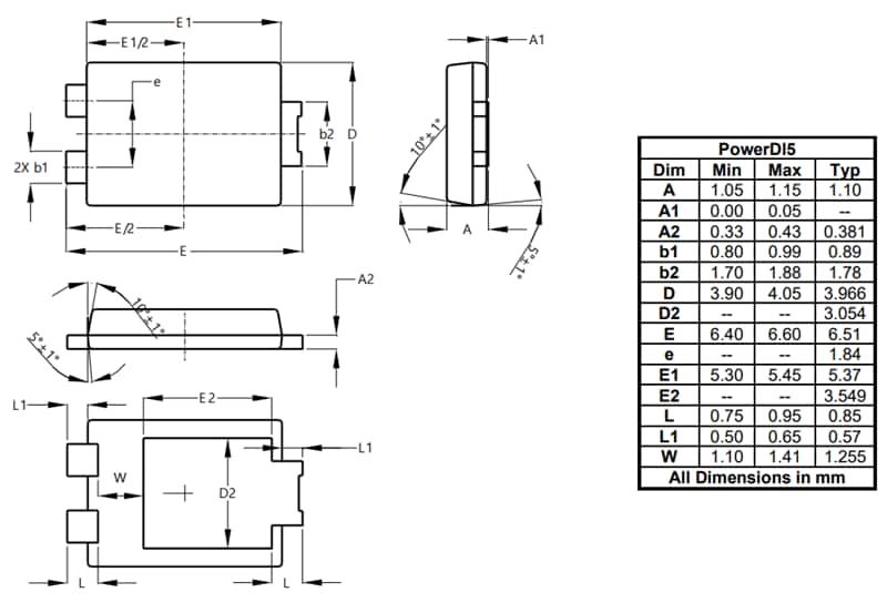
Package Outline
Published: 2025-09-23
| Updated: 2025-10-13
