Diodes Incorporated FMMT411FDBWQ Low Voltage Avalanche Transistor
Diodes Incorporated FMMT411FDBWQ Low Voltage Avalanche Transistor is a silicon planar bipolar transistor designed for operating in avalanche mode. Tight process control and low inductance packaging produce high-on-current pulses with fast edges. This Diodes Incorporated Bipolar Junction Transistor (BJT) is designed to meet the stringent requirements of automotive applications.Features
- IUSB = 35A typical
- BVCBO > 80V
- BVCEO > 15V
- Specifically designed for low voltage avalanche mode operation
- Low profile 0.62mm high package for thin applications
- Sidewall tin plating for wettable flanks in AOI
- Lead-free and RoHS compliant
- Halogen and antimony-free Green device
- The FMMT411FDBWQ is suitable for automotive applications requiring specific change control
- AEC-Q101 qualified, PPAP capable, and manufactured in IATF16949 certified facilities
Specifications
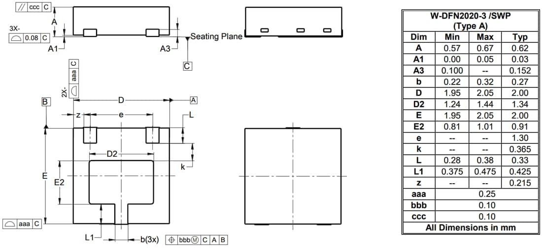
- W-DFN2020-3/SWP (Type A) package
- Nominal package height of 0.62mm
- Package material is a molded plastic green molding compound. UL Flammability Rating 94V-0
- Moisture sensitivity of Level 1 per J-STD-020
- Terminals are matte tin finish and solderable per MIL-STD-202, Method 208
- Weight (0.01grams) (Approximate)
Applications
- Laser diode drivers for ranging and measurement (LIDAR)
- Radar systems
- Fast-edge switch generators
- High-speed pulse generators
Package Dimensions
Published: 2022-11-16
| Updated: 2022-11-23
