Diodes Incorporated AL58221 12-Channel RGB LED Driver
Diodes Incorporated AL58221 12-Channel RGB LED Driver is a Adaptive Pulse Density Modulation (APDM) LED driver that operates over a 3V to 5.5V input voltage range. This LED driver features 12 open-drain constant-current sinking outputs rated to 24V and delivers up to 60mA of high-accuracy current to each LED string. The AL58221 RGB LED driver boasts a 10MHz double-edge trigger data clock input to reduce EMI. This LED driver utilizes a clock-duty recovery technique and pulse retiming to support longer-distance connections and cascading applications between multiple devices.The AL58221 RGB LED driver is totally lead-free, fully RoHS-compliant (Notes 1 and 2), and available in a TSSOP-24EP (Type A1-B) package. This LED driver is specified to be used over the -40°C to +85°C ambient temperature range. Typical applications include indoor and outdoor LED video displays, architectural and decorative lighting, digital signage and billboard applications, LCD backlighting, and transportation signs.
Features
- 12 constant-current sink (R/G/B x4) output channels:
- RGB output current setting by 3 external resistors
- 24V-rated output channels for long LED strings
- ±1% (typical) LED current accuracy between channels
- ±2% (typical) LED current accuracy between devices
- 16/14/12/8-bit grayscale selection
- Grayscale clock source selection (internal or external)
- PWM or APDM control selection
- Programmable output current Trise/Tfall time
- Output current bilateral processing for EMI reduction
- Constant current output range:
- 3mA to 60mA@5V
- 3mA to 35mA@3.3V
- Diagnosis and protections:
- Built-in internal grayscale clock supports refresh rate>1000Hz@16-bit grayscale, >256KHz@8-bit grayscale
- Internal grayscale clock frequency selection for high-power LED driving application (minimum 33.6KHz)
- 2-wire serial interface (DI, DCKI):
- 20Mbps (maximum) to 140Kbps (minimum) data rate for EMI reduction data transfer
- Cascaded capability (maximum 1,030 devices)
- Clock duty recovery for cascading applications
- Schmitt trigger input
Specifications
- 3V to 5.5V input voltage range
- 62mA output current
- 750mA GND terminal current
- -40°C to +85°C ambient temperature range
- Lead-free and RoHS-compliant (Notes 1 and 2)
- TSSOP-24EP (Type A1-B) package
Applications
- Indoor and outdoor LED video displays
- Architectural and decorative lighting
- Digital signage and billboard applications
- LCD display backlighting
- Transportation signs
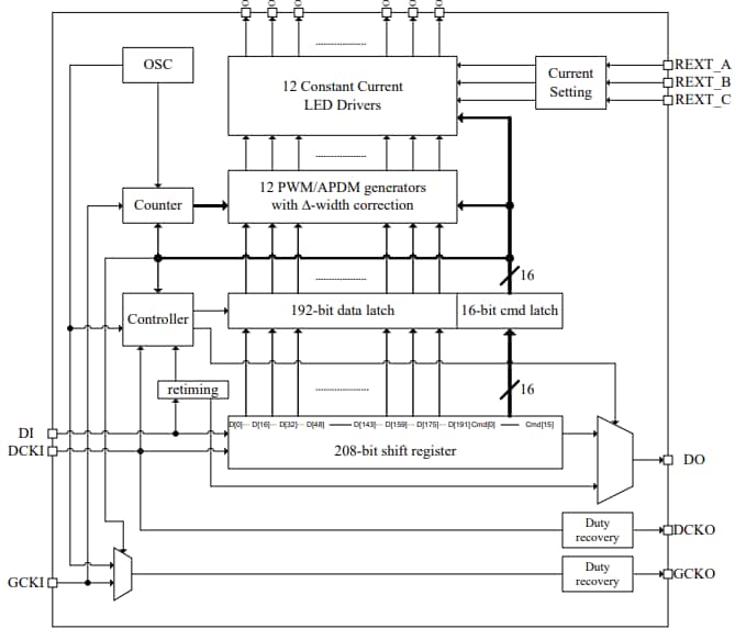
Functional Block Diagram
Typical Applications Circuit
Published: 2024-06-20
| Updated: 2024-09-02
