Diodes Incorporated AP22652/3 Current Limited Power Switches
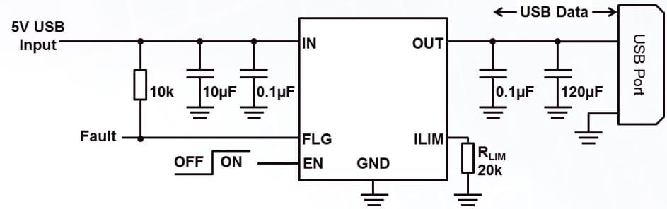
Diodes Incorporated AP22652/3 Current Limited Power Switches are single-channel precision adjustable switches optimized for applications requiring precision current limiting. These Diodes Incorporated power switches can have a programmable current-limit threshold between 125mA and 2665mA via an external resistor with ±10% current-limiting accuracy at high current-limit settings. The AP22652/3 power switches provide up to 2.1A continuous load current during heavy loads/short circuits. These switches exhibit 5µs fast short-circuit response time and 5ms built-in soft-start rise time.The AP22652 and AP22653 power switches limit the output current to a safe level when the output current exceeds a current-limit threshold. These power switches offer a complete protection solution for heavy capacitive loads with reverse current blocking and limiting, overcurrent, over-temperature, short-circuit protection, and under-voltage lockout functionality. The AP22652 features an active-low enable, whereas the AP22653 is equipped with an active-high enable and all devices are available in SOT26 and W-DFN2020-6 packages. Typical applications include notebook PCs, tablet PCs, motherboards, set-top boxes, TVs, and telecom systems.
Features
- Up to 2.1A maximum load current
- Accurate adjustable current limit between 125mA to 2665mA
- ±7% accurate adjustable current limit between 1.735A with RLIM = 15kΩ
- Constant-current (AP22652/AP22653) during over-current
- 5µs fast short-circuit response time (typical)
- Reverse current blocking during shutdown and reverse current limiting during enable
- 3V to 5.5V operating range
- Built-in soft-start with 0.5ms rise time (typical)
- Over-Current (OCP), Output Over-Voltage (OVP), and thermal protections
- Fault Report (FAULT) with blanking time
- 2kV HBM, 500V CDM ESD protection
- Active-low (AP22652) or Active-high (AP22653) enable options
- -40ºC to 85°C ambient temperature range
- Available in SOT26 and W-DFN2020-6 (Type A1) packages
- "Green" Molding Compound (No Br, Sb)
- Totally Lead-Free and Fully RoHS Compliant
- Halogen and Antimony Free "Green" Device
- 14kV ESD Protection per IEC61000-4-2 (With External Capacitance)
- UL Recognized, File Number E322375, Vol. 1 and IEC60950-1 CB Scheme Certified
Applications
- Notebook PCs, tablet PCs, and desktops
- e-Readers, printers, docking stations, and HUBs
- Motherboards
- Set-top boxes
- LCD TVs and monitors
- Telecom systems
Application Diagram
Functional Block Diagram
Published: 2019-12-05
| Updated: 2023-08-10
