Broadcom ACPL-M417T Optocouplers
Broadcom ACPL-M417T Optocouplers are single-channel, low-speed, and high-gain automotive optocouplers with transistor output. These optocouplers are designed for low-power operation, with a low-operating LED drive current of 0.3mA for low-speed signaling. The low collector dark current effectively does not consume any current when not in use. The ACPL-M417T optocouplers are AEC-Q101 qualified and come in a compact, surface-mountable SO4 package for space savings. These optocouplers provide an isolation voltage of 4kVRMS between input and output channels. The ACPL-M417T optocouplers provide reinforced insulation and reliability to deliver safe signal isolation in automotive and high-temperature industrial applications. Ideally, these optocouplers are used in Electric Vehicle (EV) powertrains, DC-DC converters, EV/PHEV chargers, HVAC, and fault-reporting modules.Features
- Single-channel and low-speed optocouplers
- AEC-Q101 qualified
- -40°C to 125°C automotive temperature range
- Specifications across a full temperature range
- 80V collector emitter breakdown voltage BVCEO (minimum)
- 0.3mA low drive current (IF)
- Tight CTR range
- SO4 package with 5mm creepage and clearance
- Regulatory approvals:
- UL1577 4kVRMS for 1 minute
- CSA approval
- IEC/EN 60747-5-5 VIORM = 567VPEAK
Applications
- Electric Vehicle (EV) powertrains
- DC-DC converters
- EV/PHEV chargers
- HVAC
- Fault reporting modules
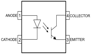
Functional Diagram
Package Outline Drawing
Published: 2024-03-11
| Updated: 2024-03-22
