Bourns PAC18R 18mm Low Profile Absolute Encoders
Bourns PAC18R 18mm Low Profile Absolute Encoders offer a 1mA @ 10VDC contact rating, 10MΩ @ 500VDC insulation resistance, and IP64 rating. The PAC18R encoders feature an insulated plastic shaft sealing for an enhanced IP level and superior, high-class rotational feel. These encoders have a low profile and up to 30,000 rotation cycle rating. Bourns PAC18R 18mm Low Profile Absolute Encoders are designed for applications where a sealed menu select absolute encoder is required, including professional audio equipment, communications equipment, and industrial automation controls.Features
- Low profile absolute encoder
- 30,000 rotational cycle rating
- -35°C to +70°C operating temperature range
- High-class rotational feel
- IP64 shaft sealing
- Insulated plastic shaft and bushing
- Optional haptic detent feedback
- RoHS compliant
Applications
- Professional audio equipment
- Professional lighting consoles
- Consumer white goods
- Low/medium risk medical and diagnostic equipment
- Test and measurement equipment
- Communications equipment
- Laboratory equipment
- Industrial automation controls
Dimensions (PAC18R1-3XXXXF)
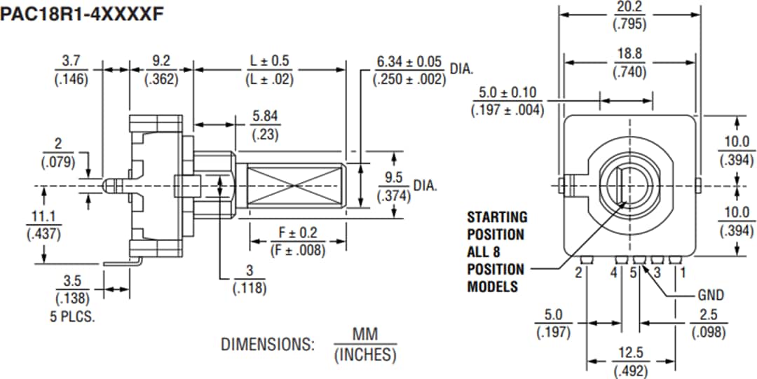
Dimensions (PAC18R1-4XXXXF)
Published: 2021-01-22
| Updated: 2022-03-11
