Astrodyne TDI RP210 Compact Dual Stage Filters
Astrodyne TDI RP210 Compact Dual Stage Filters are single-phase power line filters available in 3A, 6A, and 16A current ratings. These RP210 power line filters are dual-stage to 16A chassis mount filters. The RP210 filters offer 120/250VAC (maximum) operating voltage and 50/60Hz operating frequency. These RP210 power line filters are ideal for general-purpose applications.Features
- Single-phase power line filter
- Dual-stage filters to 16A chassis mount filter
- Compact size
- RoHS compliant
Specifications
- 50/60Hz operating frequency
- 2700VDC Hipot rating (L-G)
- DC to 400Hz usable frequency range
- 250V +10% maximum operating voltage
- -25°C to +40°C ambient temperature range
- 25/100/21 climatic category
- 0 to 10nF capacitance range
- 0 to 1.8mA leakage current range
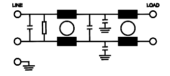
Schematic
Published: 2017-07-31
| Updated: 2022-04-08
