Analog Devices / Maxim Integrated MAX20446 & MAX20446B 6-Channel Backlight Drivers

Analog Devices Inc. MAX20446 and MAX20446B 6-Channel Backlight Drivers have a boost controller for automotive displays. The integrated current outputs can sink up to 130mA LED current each. The devices accept a wide 4.5V to 36V input voltage range and withstand direct automotive load-dump events. The internal current-mode switching DC-DC controller supports boost or SEPIC topologies and operates from 400kHz to 2.2MHz. The integrated spread spectrum helps reduce EMI. An adaptive output-voltage control scheme minimizes power dissipation in the LED current-sink paths. The devices feature an I2C-controlled pulse-width modulation (PWM) dimming and hybrid dimming. ADI MAX20446 and MAX20446B 6-Channel Backlight Drivers' minimum pulse width is 500ns. Phase-shifted dimming of the strings is incorporated for lower EMI.

Features

  • Wide-voltage-range operation
    • Operates down to 4V supply after startup
    • Survives load dump up to 52V
  • High integration
    • A complete 6-channel solution including boost controller
    • I2C control for minimum parts count
  • Robust and low EMI
    • Spread-spectrum oscillator
    • Phase-shifting
    • 400kHz to 2.2MHz switching-frequency range
    • Fail-safe operation mode using the FSEN pin
  • Versatile dimming scheme allows hybrid or PWM-only dimming using DIM input or I2C
    • Dimming ratio >10000:1 using hybrid dimming
    • 10000:1 dimming ratio at 200Hz using PWM dimming
  • Complete diagnostics
    • LED open/short detection and protection
    • Boost output undervoltage and overvoltage
    • Boost voltage
    • Individual string LED current
    • Thermal shutdown
  • Compact (4mm x 4mm) 24-Pin TQFN package

Applications

  • Central information displays
  • Infotainment displays
  • Instrument clusters

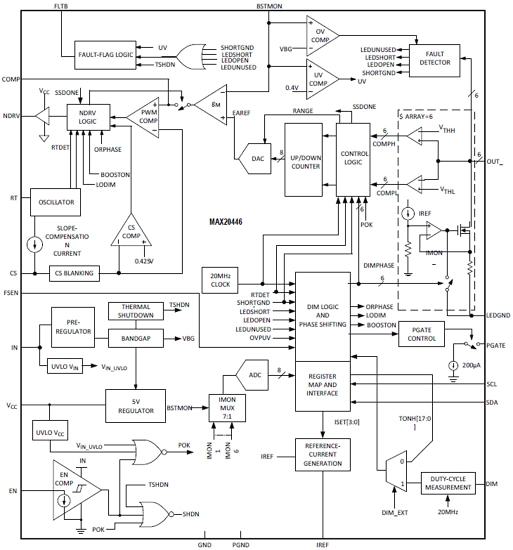
Functional Diagram

Block Diagram - Analog Devices / Maxim Integrated MAX20446 & MAX20446B 6-Channel Backlight Drivers

Videos

Published: 2019-11-22 | Updated: 2023-05-04