Analog Devices Inc. MAX20360 Ultra Low-Power Wearable PMIC
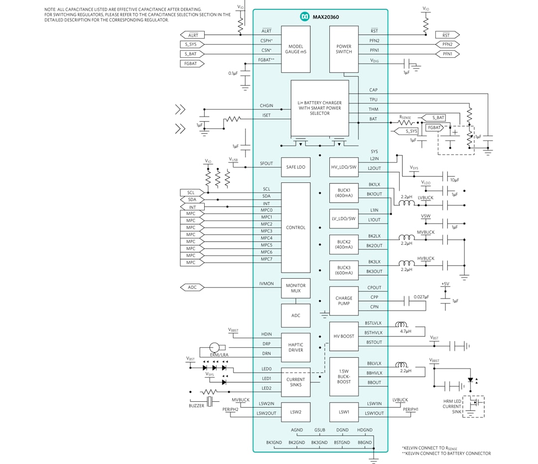
Analog Devices MAX20360 Power Management Integrated Circuit (PMIC) is a highly integrated, programmable power management solution for ultra-low-power wearable applications. The MAX20360 is optimized for size and efficiency to enhance the value of the end product by extending battery life and shrinking the overall solution size. A flexible set of power-optimized voltage regulators, including multiple buck, boost, buck-boost converters, and linear regulators, provides a high level of integration and the ability to create a fully optimized power architecture. The quiescent current of each regulator is ultra-low, targeted at extending battery life in always-on applications.The MAX20360 integrates a complete battery management solution with a battery seal, charger, power path, and fuel gauge. Both thermal management and input protection are built into the charger. The device also includes a factory programmable button controller with multiple inputs that are customizable to fit specific product UX requirements.
Three integrated LED current sinks are included for indicator or backlighting functions, and an ERM/LRA driver with automatic resonance tracking is capable of providing sophisticated haptic feedback to the user. A low noise, 1.5W buck-boost converter provides a clean way to power LEDs commonly used in optical heart-rate systems. The device is configurable through an I2C interface that allows for programming various functions and reading the device status, including the ability to read temperature and supply voltages with the integrated Analog-to-Digital Converter (ADC).
The Analog Devices MAX20360 PMIC is available in a 4.88mm x 4.19mm, 72-bump Wafer-Level Package (WLP) and operates over the -40°C to +85°C extended temperature range.
Features
- Extends battery-use time between battery charging
- 2x micro-IQ, 400mA buck regulators (330nA IQ typical each)
- 0.550V to 1.180V in 10mV steps
- 0.550V to 2.125V in 25mV steps
- 0.550V to 3.700V in 50mV steps
- Micro-IQ, 600mA buck regulators (330nA IQ typical)
- 0.550V to 1.180V in 10mV steps
- 0.550V to 2.125V in 25mV steps
- 0.550V to 3.700V in 50mV steps
- Micro-IQ LV LDO/load switch (1μA IQ typical)
- 1.0V to 2.0V input voltage
- 50mA output
- 0.5V to 1.95V output, 25mV steps
- Micro-IQ LDO/load switch (1μA IQ typical)
- 1.71V to 5.5V input voltage
- 100mA output
- 0.9V to 4V, 100mV steps
- Micro-IQ buck-boost regulator (2μA IQ typical)
- 1.5W output
- 2.6V to 5V in 50mV steps
- Easy-to-implement Li+ battery charging
- Wide 5mA to 500mA fast charge current range
- 28V/-5.5V tolerant input
- Programmable JEITA current/voltage profiles
- Minimized solution footprint through high integration
- 3.3V or 5.0V safe output LDO, 15mA when CHGIN present
- ERM/LRA haptic driver
- Automatic braking (LRA only)
- Automatic resonance tracking (LRA only)
- Supports a wide variety of display options
- Micro-IQ boost regulator (2.4μA IQ typical)
- 300mW output
- 5V to 20V in 250mV steps
- 3-channel current sinks
- 20V tolerant
- Programmable from 0.6mA to 30.0mA
- Optimized system control
- Programmable push-button controller
- Programmable supply sequencing
- Factory shelf mode
- On-chip voltage/charge current monitor mux and ADC
- 4.88mm x 4.19mm WLP72 package with a 0.5mm pitch
Applications
- Wearables devices
- Internet of Things (IoT)
Block Diagram
