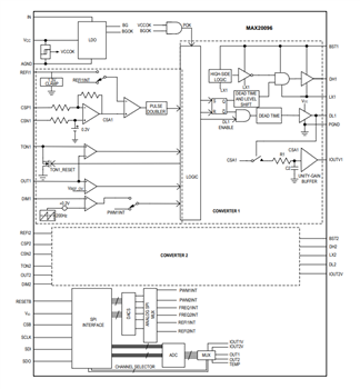
Analog Devices / Maxim Integrated MAX20096/MAX20097 High-Brightness LED Controllers
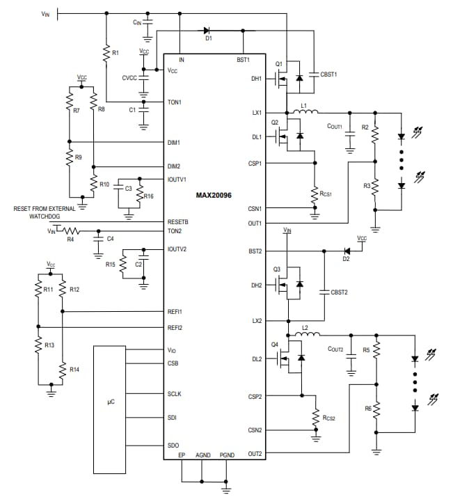
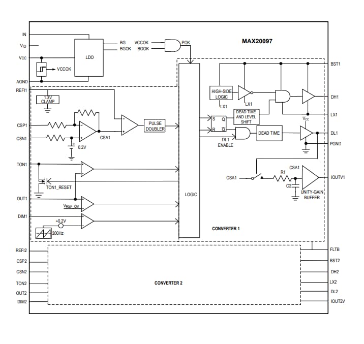
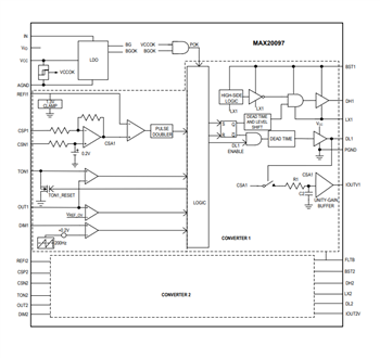
Analog Devices MAX20096/MAX20097 High-Brightness LED Controllers are dual-channel, high-voltage, synchronous N-channel high-current buck LED drivers. The MAX20096/MAX20097 LED Controllers use a proprietary average current-mode-control scheme to regulate the inductor current. Maintaining a nearly constant switching frequency, the control method does not require any control-loop compensation.Sensing the current in the bottom switching device results in inductor current sense being achieved. The ICs integrate two fully synchronous buck-converter controllers and are designed for high-frequency operation, operating at switching frequencies as high as 1MHz. The SPI interface reads back the output voltages and currents on both channels and the junction temperature. The MAX20096/MAX20097 High-Brightness LED Controllers include many protection features such as inductor current-limit protection, overvoltage protection, and thermal shutdown.
The MAX20096 is available in a space-saving thermally enhanced (5mm x 5mm), 32-pin side-wettable TQFN package and is specified to operate over the -40°C to +125°C automotive temperature range. The MAX20097 is available in a 28-pin thermally enhanced TSSOP package but does not have the SPI interface. The MAX20097 includes an open-drain fault flag (FLTB) that goes low in case of an open string, shorted string, or overvoltage activation in any channel or during a thermal shutdown.
Features
- Integration minimizes BOM for high-brightness LED driver, saving space and cost
- Wide 4.5V to 65V input voltage range
- No compensation components
- Programmable switching frequency
- External MOSFETs that are sizable for the appropriate current
- Wide dimming ratio allows high-contrast ratio
- Analog dimming
- PWM dimming
- Suitable for matrix lighting
- Short circuit, overvoltage, and thermal protection
- Maintains current regulation while shorting/opening individual LEDs in the string
- Ultra-fast response control loop prevents overshoots and undershoots
- Protection features and wide temperature range increase system reliability
- -40°C to +125°C operating temperature range
- Thermal monitor and LED current monitor
- Fault diagnosis through SPI interface and through FLTB pin for applications without SPI interface
Applications
- Automotive exterior lighting
- High-leam/low-beam/signal/position lights
- Daytime running lights (DRLs)
- Fog light and adaptive front light assemblies
- Commercial, industrial, and architectural lighting
