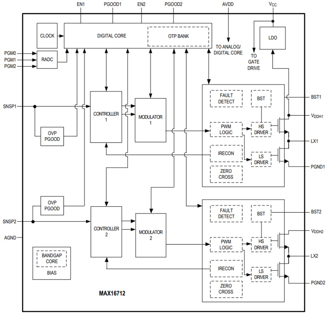
Analog Devices / Maxim Integrated MAX16712 Step-Down Switching Regulator
Analog Devices MAX16712 Step-Down Switching Regulator is a dual-output, fully integrated, highly efficient, step-down DC-DC switching regulator. The device operates from 2.7V to 16V input supplies, and each output can be regulated from 0.5V to 5.8V. The IC delivers up to 6A of load current per output. The two outputs can be connected in parallel as a single-output, dual-phase regulator that supports up to 12A load current.The switching frequency of the device can be configured from 500kHz to 2.0MHz. It provides the capability of optimizing the design in terms of solution size and performance. The MAX16712 utilizes fixed-frequency, current-mode control with internal compensation. The dual-switching regulators operate 180° out-of-phase. The IC features an advanced modulation scheme (AMS) and selectable discontinuous current mode (DCM) operation to improve performance. Operation settings and configurable features can also be selected by connecting a pin-strap resistor from the PGM0 pin to ground.
The Analog Devices MAX16712 has an internal 1.8V LDO output to power the gate drives (VCC) and internal circuitry (AVDD). The module integrates multiple protections, including positive and negative overcurrent protection, output overvoltage protection, and overtemperature protection to ensure a robust design. The device is available in a compact 2.2mm x 3.5mm wafer-level package (WLP). It supports -40°C to +125°C junction temperature operation.
Features
- High power density with low component count
- Dual-output or dual-phase operation
- Single-supply operation with integrated LDO for bias generation
- Compact 2.2mm x 3.5mm, 28-bump WLP
- Internal compensation
- Wide operating range
- 2.7V to 16V input voltage range
- 0.5V to 5.8V output voltage range
- 500kHz to 2MHz configurable switching frequency
- -40°C to +125°C junction temperature range
- Three programming pins to select different configurations
- Independent enable and Power Good for each output
- Optimized performance and efficiency
- 90.5% peak efficiency with VDDH = 12V, VOUT = 1.8V, and fSW = 1MHz
- Interleaved 180° out-of-phase operation
- Selectable AMS to improve load transient
- Selectable DCM to improve light-load efficiency
- Active current balancing for dual-phase operation
Applications
- Communications equipment
- Networking equipment
- Servers and storage equipment
- Point-of-Load (POL) voltage regulators
- μP chipsets
- Memory VDDQ
- I/O pins of an FPGA/DSP/MCU
Block Diagram
