Analog Devices / Maxim Integrated MAX14745 Wearable Charge-Management Solution

Analog Devices MAX14745 Wearable Charge-Management Solution consists of a linear battery charger, a smart power selector, and many power-optimized peripherals. The MAX14745 was designed for low-power wearable applications such as fitness monitors and rechargeable IoT devices. Five regulated voltages are provided via the two ultra-low quiescent current buck regulators and three ultra-low quiescent current low-dropout (LDO) linear regulators. The regulators individually have an ultra-low quiescent current, enabling power consumption to a minimum and extending battery life. A smart power selector, as part of the Analog Devices MAX14745 Wearable Charge-Management Solution's battery charger, supports operation on a dead battery when connected to a power source.

Overloading the power adapter is avoided as the input current to the smart power selector is limited based on an I2C register setting. The Analog Devices MAX14745 Wearable Charge-Management Solution charger reinforces temperature-dependent charge currents. A dedicated input pin is offered on each of the three configurable LDOs. An optional feature furnished configures the linear regulators as power switches, enabling a disconnect through the quiescent load of the system peripherals. Applications that require a true-off or always-on state can be configured through the programmable power controller.

Features

  • Extend system use time between battery charging
    • Dual ultra-low IQ 200mA buck regulators
      • Output programmable from 0.8V to 2.375V and 0.8V to 3.95V
      • 0.9μA (typ) quiescent current (buck 1)
      • Optional fixed peak-current mode to optimize ripple frequency in noise-sensitive applications
    • Three ultra-low IQ 100mA LDOs
    • LDO1
      • Output programmable from 0.8V to 3.6V
      • 0.6μA (typ) quiescent current
      • 2.7V to 5.5V input with dedicated pin
    • LDO2/3
      • Output programmable from 0.9V to 4V
      • 1μA (typ) quiescent current
      • 1.71V to 5.5V input with dedicated pin
  • Easy-to-implement Li+ battery charging
    • Smart power selector
    • 28V/-5.5V tolerant input
    • Thermistor monitor
  • Minimize solution footprint through high integration
    • Provides five regulated voltage rails
    • Switch mode option on each LDO
  • Optimize system control
    • Monitors pushbutton for ultra-low power mode
    • Power-on reset delay and voltage sequencing
    • On-chip voltage monitor multiplexer

Applications

  • Wearable electronics
  • Fitness monitors
  • Rechargeable IoT devices

Videos

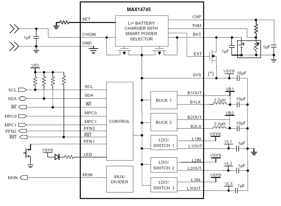
Typical Application Circuit

Application Circuit Diagram - Analog Devices / Maxim Integrated MAX14745 Wearable Charge-Management Solution
Published: 2018-04-17 | Updated: 2023-04-12