Analog Devices / Maxim Integrated DS28C36 Deep Cover® Secure Authenticator
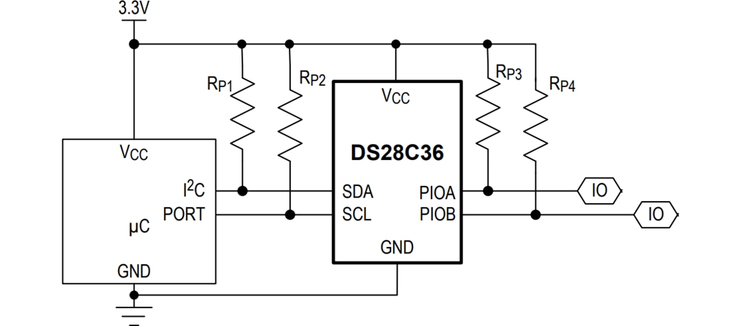
Analog Devices DS28C36 Deep Cover® Secure Authenticator provides a core set of cryptographic tools derived from integrated asymmetric (ECC-P256) and symmetric (SHA-256) security functions. In addition to the security services offered by the hardware-implemented crypto engines, the Analog Devices DS28C36 integrates a FIPS/NIST true random number generator (RNG). The device also integrates 8Kb of secured EEPROM, a decrement-only counter, two pins of configurable GPIO, and a unique 64-bit ROM identification number (ROM ID). The ECC public/private key capabilities operate from the NIST-defined P-256 curve, including FIPS 186 compliant ECDSA signature generation and verification to support a bidirectional asymmetric key authentication model. The SHA-256 secret-key capabilities comply with FIPS 180 and are flexibly used in conjunction with ECDSA operations or independently for multiple HMAC functions.The Analog Devices DS28C36 Deep Cover Secure Authenticator is offered in a TDFN-6 package with an exposed pad for superior thermal performance.
Features
- ECC-256 compute engine
- FIPS 186 ECDSA P256 signature and verification
- ECDH Key exchange with authentication prevents man-in-the-middle attacks
- ECDSA authenticated r/w of configurable memory
- FIPS 180 SHA-256 compute engine
- HMAC
- SHA-256 OTP (One-Time Pad) encrypted r/w of configurable memory through ECDH established key
- Two GPIO pins with optional authentication control
- Open-drain, 4mA/0.4V
- Optional SHA-256 or ECDSA authenticated On/Off and state read
- Optional ECDSA certificate to set On/Off after multiblock hash for secure boot
- RNG with NIST SP 800-90B compliant entropy source with function to readout
- Optional chip-generated Pr/Pu key pairs for ECC operations
- 17-Bit one-time settable, nonvolatile decrement-only counter with authenticated read
- 8Kbits of EEPROM for user data, keys, and certificates
- Unique and unalterable factory-programmed 64-bit identification number (ROM ID)
- Optional input data component to crypto and key operations
- I2C communication, 100kHz and 400kHz
- 3.3V ±10% operating voltage range
- -40°C to +85°C operating temperature range
- 3mm x 3mm TDFN-6 package
- Pb-free and RoHS compliant
Applications
- Accessory and secure peripheral authentication
- Secure boot or download of firmware and/or system parameters
- IoT node crypto-protection
- Secure storage of cryptographic keys for a host controller
Typical Application Circuit
Pin Designations
Published: 2016-09-30
| Updated: 2023-09-15
