Analog Devices Inc. HMC273A Digital Attenuator

Analog Devices HMC273A Digital Attenuator is a general purpose broadband 5-bit positive control device in a 10 lead MSOP plastic package. This digital attenuator offers an attenuation range from 0.7GHz to 3.8GHz with an insertion loss typically less than 3dB. The HMC273A attenuator features bit values of 1(LSB), 2, 4, 8, and 16dB for a total attenuation of 31dB. This digital attenuator uses five-bit control voltage inputs toggled between 0V and 3V to 5V to select each attenuation state. The HMC273A is well-suited for cellular, UMTS/3G infrastructure, ISM, MMDS, WLAN, and WiMAX applications.

Features

  • 1dB LSB steps to 31dB
  • Single positive control per BIT
  • ±0.2dB typical bit error
  • 14.8mm2 miniature MSOP 10 package

Specifications

  • Absolute maximum ratings:
    • 8VDC bias voltage (VDD)
    • 150°C channel temperature
    • 0.68W continuous Pdiss
    • 95°C/W thermal resistance
    • -40°C to 85°C operating temperature range
    • +26dBm RF input power
    • Class 1A ESD sensitivity
  • Bias condition:
    • Low, 0 to +0.2 V @ < 1uA Max
    • High, VDD ± 0.2V @ 1uA Max

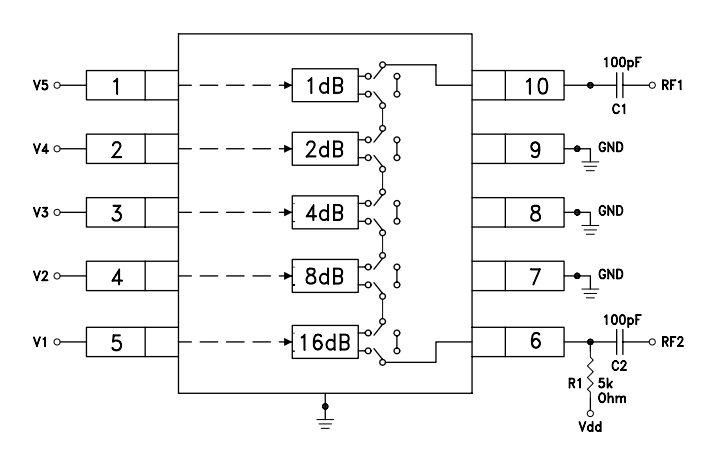
Application circuit

Application Circuit Diagram - Analog Devices Inc. HMC273A Digital Attenuator
Published: 2018-07-10 | Updated: 2023-02-09