Analog Devices Inc. LTC4124 100mA Wireless Li-Ion Charger
Analog Devices LTC4124 100mA Wireless Li-Ion Charger is a single-chip wireless power receiver, full-featured linear battery charger, and ideal diode PowerPath™ controller solution. The LTC4124 features pin-selectable charge current (up to 100mA) and charge voltage, ensuring versatility while minimizing the number of required external components. Wireless charging with the LTC4124 allows devices to be charged while sealed within enclosures and eliminates bulky connectors in space-constrained applications. Elimination of exposed conductive connectors also creates more robust devices while ensuring an effortless end-user experience.The LTC4124 includes an NTC input for safe temperature qualified charging and Low Battery Disconnect prevents damage to a battery due to over-discharging.
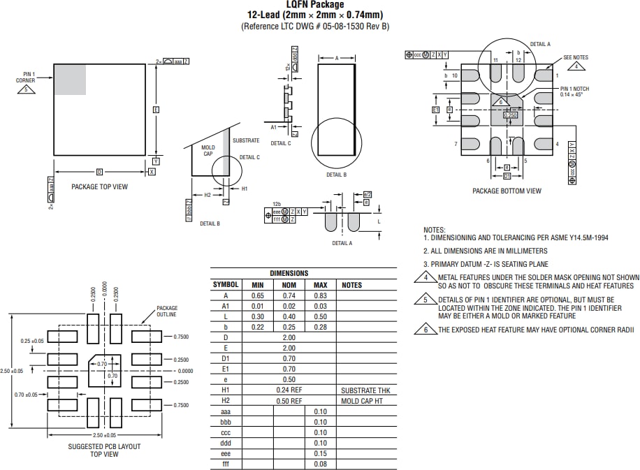
The compact 2mm x 2mm LQFN (Quad Flat No-leads) package and minimal number of external components make the LTC4124 well-suited for low power portable applications where small solution size is mandatory.
Features
- Complete wireless power receiver, Li-Ion charger, and PowerPath™ controller
- Wireless input power control and rectification
- Wideband wireless power frequency of DC to >10MHz
- Pin-selectable charge current of 10mA/25mA/50mA/100mA
- Pin-selectable charge voltage of 4.0V/4.1V/4.2V/4.35V
- Pin-selectable low battery disconnect of 2.7V/3.2V
- Zero battery drain current in disconnect/ship mode
- Pin-selectable enable for low battery pre-charge current
- NTC Input for temperature-qualified charging
- Safety charge termination timer
- Tiny total solution size with few externals
- Small thermally enhanced LQFN-12 package
- 2mm × 2mm Package
- RoHS and WEEE compliant
Applications
- Medical wireless sensors
- Military wearables
- High end wireless headsets
- Streaming headsets with BLUETOOTH® connectivity
- Virtual reality headsets
- High-end remote control
- IoT Devices
Additional Resources
Complete, Efficient 100 mA Wireless Charging Solution with Optimum Power Transfer and Safety Features
The LTC4124 is a high performance 100 mA wireless Li-Ion charger receiver providing a compact solution with few external components. Paired with the LTC4125 creates a safe and efficient wireless charging environment.
Block Diagram
Typical Application Circuit
Package Diagram
Published: 2019-03-28
| Updated: 2023-08-22
