Analog Devices Inc. LTC335x High Current Supercapacitor Chargers

Analog Devices Inc. LTC335x High Current Supercapacitor Chargers offer a high efficiency synchronous step-down CC/CV backup power controller that charges and monitors a series stack of one to four supercapacitors. The LTC335x from Analog Devices delivers power from the supercapacitor stack to the backup supply rail with the step-down converter reversed as a step-up converter.

Features include a shunt regulator for overvoltage protection and internal balancers. The I2C/SMBus can be read through system voltages, currents, stack capacitance, and stack ESR, all monitored by the LTC3350 charger. The charger has a surface mount package in a low profile 38-lead 5mm × 7mm × 0.75mm QFN.

Features

  • High efficiency synchronous step-down CC/CV charging of one to four series supercapacitors
  • Step-up mode in backup provides greater utilization of stored energy in supercapacitors
  • 14-bit ADC for monitoring system voltages/currents, capacitance and ESR
  • Internal active balancers — no balance resistors
  • Dual ideal diode PowerPath™ controller
  • All N-FET charger controller and PowerPath controller
  • Active overvoltage protection shunts
  • Compact 38-lead 5mm × 7mm QFN package
  • Programmable input current limit prioritizes system load over capacitor charge current

LTC3350 Typical Application

Application Circuit Diagram - Analog Devices Inc. LTC335x High Current Supercapacitor Chargers

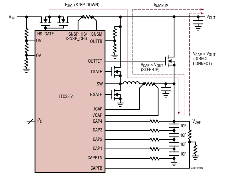
LTC3351 Typical Application

Application Circuit Diagram - Analog Devices Inc. LTC335x High Current Supercapacitor Chargers
Published: 2017-05-12 | Updated: 2022-03-29