Analog Devices Inc. HMC648ALP6E 6-bit Digital Phase Shifters
Analog Devices HMC648ALP6E 6-bit digital phase shifters offer 360 degrees of phase coverage and 5.625 degrees LSB. Rated from 2.9 to 3.9GHz, the HMC648ALP6E features a very low 1.2 degrees RMS phase error and extremely low ±0.5dB insertion loss variation in all phase states. The positive 0/+5V logic controls this high accuracy phase shifter. The HMC648ALP6E is internally matched to 50Ω with no external components.Features
- Low RMS phase error 1.2°
- Low insertion loss 5dB
- High linearity +45dBm
- Positive control logic
- 360° coverage, LSB = 5.625°
- 28 lead 6mm x 6mm SMT package 36mm²
Applications
- EW receivers
- Weather and military radar
- Satellite communications
- Beamforming modules
- Phase cancellation
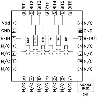
Functional Diagram
Published: 2016-07-28
| Updated: 2022-03-11
