Analog Devices Inc. HMC292A GaAs MMIC Double-Balanced Mixers
Analog Devices Inc. HMC292A GaAs MMIC Double-Balanced Mixers are miniature passive GaAs MMIC double-balanced mixers that can be used as an upconverter or downconverter from 14GHz to 32GHz. The on-chip baluns offer excellent isolation. The HMC292A mixers from Analog Devices do not require external components or DC bias. All data is measured with the chip in a 50Ω test fixture connected via 0.076mm (0.003 inches) ribbon bonds of minimal length less than 0.31mm (<0.012 inches). The applications include microwave point-to-point radios, LMDS, and SATCOM.Features
- 20dB typical input IP3 at 14GHz to 30GHz
- 9dB typical conversion loss at 14GHz to 30GHz
- DC to 8GHz IF frequency range
- 46dB typical LO to RF isolation
- 34dB typical LO to IR isolation
- 10dB typical RF return loss
- 9dB typical LO return loss
- Passive: No DC bias required
- Package options
- 12-terminal, 3mm x 3mm LCC
- 7-pad bare die
- RoHS compliant
Applications
- Microwave and small aperture terminal (VSAT) radios
- Test equipment
- Point-to-point radios
- Local multipoint distribution service (LMDS)
- Military
- Electronic warfare (EW)
- Electronic counter measure (ECM)
- Command, control, communications, and intelligence (C3I)
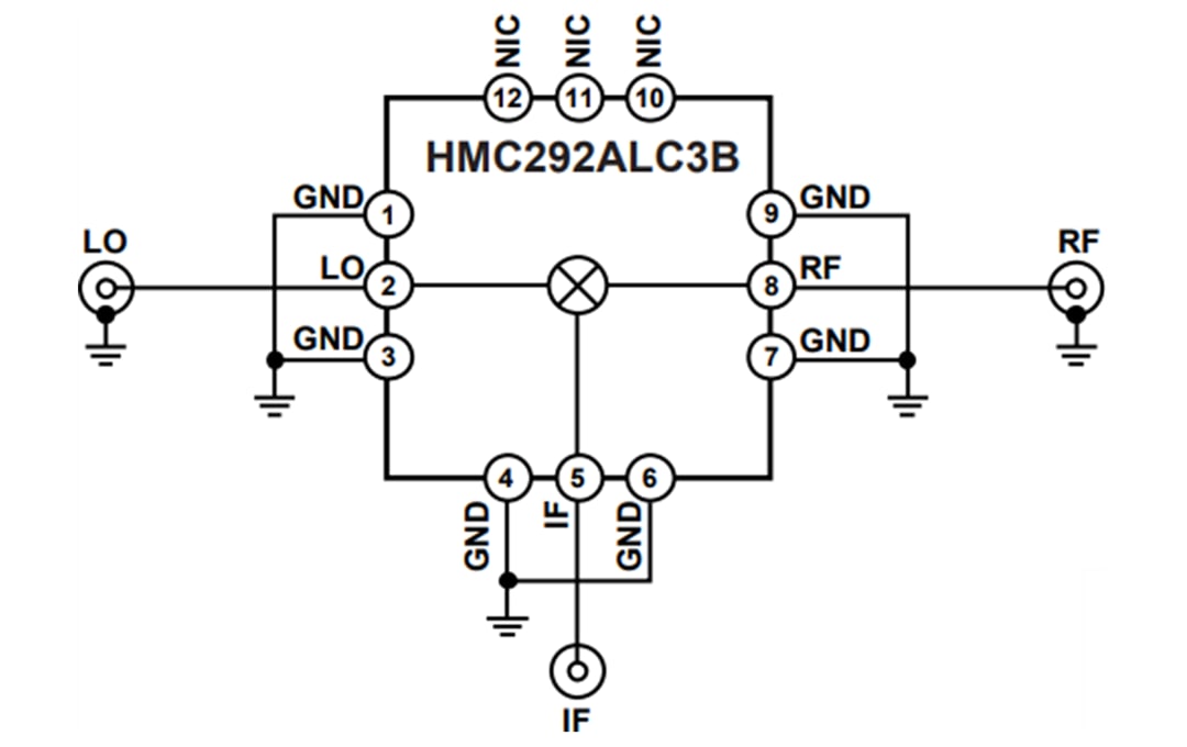
Pin Configuration (LCC)
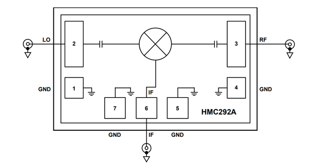
Pin Configuration (Bare Die)
Application Circuit (LCC)
Application Circuit (Bare Die)
Published: 2017-12-29
| Updated: 2022-05-12
