Analog Devices Inc. EVAL-LTPA-RL2000 DC Efficiency Meter
Analog Devices EVAL-LTPA-RL2000 DC Efficiency Meter is designed for use with the LTpowerAnalyzer® Kit (EVAL-LTPA-KIT). The ADI EVAL-LTPA-RL2000 is a compact laboratory instrument for characterizing the efficiency of a power supply design across multiple load current values. With two voltage inputs and two current inputs, the RL2000 is capable of simultaneously measuring both input and output power, up to a maximum of 150W. This DC efficiency meter features a measurement range of ±125V for the voltage inputs, and 10µA, 100µA, 1mA, 10mA, 100mA, 1A, 10A, and 30A for the current input and load. For ease of use, an auto-range function is implemented into the RL2000, allowing the meter to automatically switch to the most appropriate range based on the measured input.
Features
- For use with the LTpowerAnalyzer Kit (EVAL-LTPA-KIT)
- 2x isolated voltage measurement channels
- ±125VDC range
- 1mV resolution
- 2MΩ impedance
- 0.01% reading + 0.01% range accuracy
- 1x isolated current measurement channel with programmable voltage drop
- 30A input DC
- 10µA, 100µA, 1mA, 10mA, 100mA, 1A, 10A, and 30A options
- 10nA, 10nA, 100nA, 1µA, 10µA, 100µA, 1mA, or 1mA resolution
- 0.025% reading + 0.01% range accuracy
- 0.01% reading + 0.01% range servo voltage accuracy
- 0V to 5V voltage drop range
- +70°C shutdown temperature
- 1x isolated programmable current load
- 30A input DC
- 10µA, 100µA, 1mA, 10mA, 100mA, 1A, 10A, and 30A options
- 10nA, 10nA, 100nA, 1µA, 10µA, 100µA, 1mA, or 1mA resolution
- 0.025% reading + 0.01% range accuracy
- 150W maximum power
- 75V load voltage
- +70°C shutdown temperature
- Automatic temperature monitoring and thermal management
- Multiple meters can be used to support multi-input or high current (>30A) applications
- USB Type-C® interface
Applications
- Evaluation of DC/DC converters
- Power supply testing
- Energy optimization in embedded systems
- Benchmarking power management ICs
- Laboratory and R&D environments
- Automotive and industrial electronics
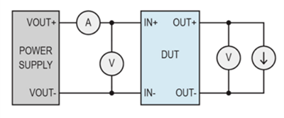
Generic Test Setup
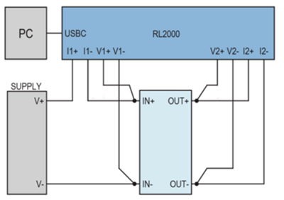
Typical Hardware Setup
