Analog Devices Inc. EVAL-CN0388-FMCZ Evaluation Board

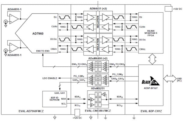
Analog Devices Inc. EVAL-CN0388-FMCZ Evaluation Board is specially designed as a circuit evaluation board for the CN0388 Data Acquisition system. The CN0388 Circuit demonstrates the isolation capabilities of an analog front end using the 5MSPS 18-bit and the 600Mbps . The EVAL-CN0388-FMCZ Evaluation Board from Analog Devices operates in conjunction with an interposer board with the ADN4651 isolator, evaluation board, and the SDP-H1 System Demonstration Platform (SDP). Together, these boards provide a complete evaluation platform for the CN0388 Circuit.

Features

  • 18-bit, 5MSPS data acquisition system
  • Isolated LVDS output
  • 600Mbps serial data capability

CN0388 Evaluation Diagram

Block Diagram - Analog Devices Inc. EVAL-CN0388-FMCZ Evaluation Board
Published: 2017-08-22 | Updated: 2022-04-25