Analog Devices Inc. EV-ADF4371SD2Z/EV-ADF4372SD2Z Evaluation Boards
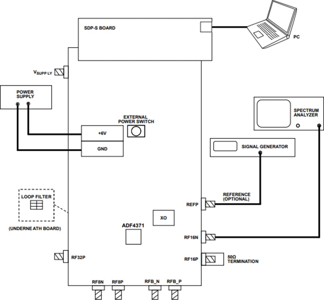
Analog Devices EV-ADF4371SD2Z/EV-ADF4372SD2Z Evaluation Boards evaluate the performance of the ADF4371/ADF4372 frequency synthesizer with an integrated voltage-controlled oscillator (VCO) for phase-locked loops (PLLs). Each evaluation board features a pre-mounted ADF4371 or ADF4372 RF IC, a USB interface, power supply connectors, and 12 Subminiature Version A (SMA) connectors.The EV-ADF4371SD2Z/EV-ADF4372SD2Z Evaluation Board requires the SDP-S (System Demonstration Platform-Serial) Controller Board (EVAL-SDP-CS1Z), which is not supplied with the kit. The SDP-S Controller Board is based on a USB to Serial Engine providing connectivity to a PC via a USB 2.0 high speed port. The SDP-S Controller Board allows software programming of the EV-ADF4371SD2Z or EV-ADF4372SD2Z.
Features
- Self-contained board, including pre-mounted ADF4371 frequency synthesizer with integrated VCO, 180kHz loop filter, USB interface, and voltage regulators
- Windows-based software allows control of synthesizer functions from a PC
- Externally powered by 6V
- Requires SDP-S Controller Board (EVAL-SDP-CS1Z, not included)
Required Equipment
- Equipment Needed
- Windows®-based PC with USB port for evaluation software
- System demonstration platform, serial only (SDP-S)
- EVAL-SDP-CS1Z controller board
- Power supply (6V)
- Spectrum analyzer
- 50Ω terminators
- Low noise REFIN source (optional)
- Documents Needed
- ADF4371 or ADF4372 datasheet
- EV-ADF4371SD2Z or EV-ADF4372SD2Z user's guide
- Required Software
- ACE software, Version 1.10 or newer
- ADF4371 or ADF4372 plugin, latest version
Additional Resources
Setup Diagram
Published: 2019-03-05
| Updated: 2025-03-25
