Analog Devices Inc. EVAL-ADA4510-2ARx Evaluation Boards
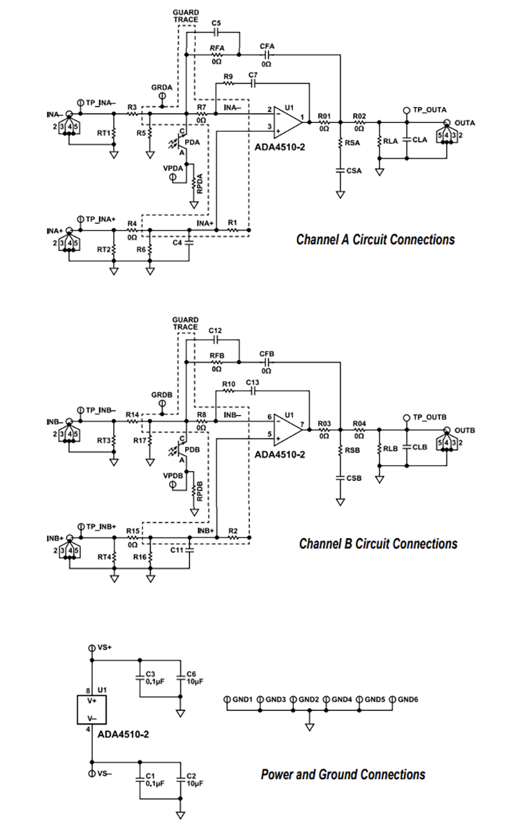
Analog Devices Inc. EVAL-ADA4510-2ARx Evaluation Boards test the ADA4510-2 dual-channel, low-input bias current amplifier. The Analog Devices Inc. EVAL-ADA4510-2ARx uses surface-mount components (SMT) in size 0603, except for bypass capacitors and termination resistors. The boards offer various unpopulated resistor and capacitor spots for flexibility in different applications. The boards support photodiode sensors for configuring a transimpedance amplifier (TIA) and feature an optimized layout with guarding for low leakage and parasitic capacitance in TIA applications.Features
- Full-featured evaluation boards for the ADA4510-2, a dual-channel, low input bias current amplifier available in an 8-lead, standard small outline package (SOIC_N) and in a mini small outline package (MSOP)
- Enables quick prototyping
- User-defined circuit configuration
- Edge-mounted SMA connectors
- Connects easily to test equipment and other circuits
- Available provisions for photodiode sensors for quick evaluation
- Connections available for photodiode bias
- Guard traces to minimize leakage
Applications
- Transimpedance amplifier (TIA) configuration
- Various application circuits
Required Equipment
- DC power supplies (capable of +18V and -18V)
- Signal source
- Oscilloscope
Connection Schematics
Published: 2023-08-23
| Updated: 2025-09-30
