Analog Devices Inc. EV1HMC574AMS8 Evaluation Board
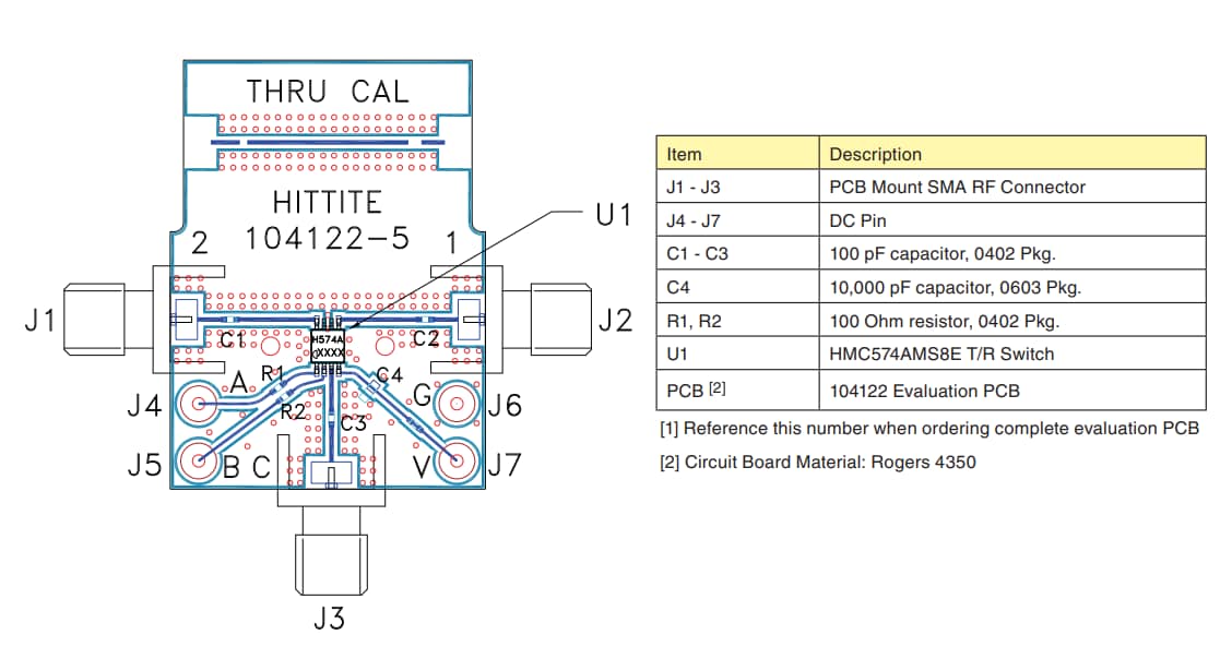
Analog Devices EV1HMC574AMS8 Evaluation Board helps designers evaluate the features and capabilities of the HMC574AMS8E GaAs MMIC SPDT Switches. The HMC574AMS8E switches are well-suited suited for Cellular/3G infrastructure, WiMAX, and WiBro applications with a typical 0.3dB insertion loss.The EV1HMC574AMS8 Evaluation Board features a PCB-mount SMA RF connector, DC Pin, 100pF capacitor, 10,000pF capacitor, 100Ω resistor, and the HMC574AMS8E T/R Switch.
Board Diagram
Published: 2016-11-11
| Updated: 2022-03-11
