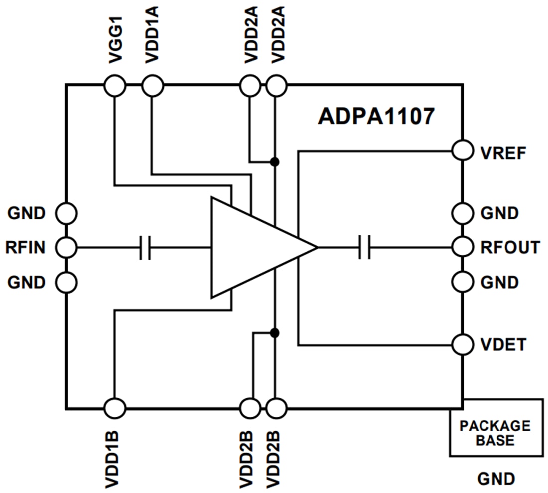
Analog Devices Inc. ADPA1107 GaN Broadband Power Amplifier
Analog Devices Inc. ADPA1107 Gallium Nitride (GaN) Broadband Power Amplifier delivers 45.0dBm (35W) with 56.5% typical power-added efficiency (PAE) across a bandwidth of 4.8GHz to 6.0GHz. The ADPA1107 provides ±0.5dB gain flatness from 5.4GHz to 6.0GHz. The ADPA1107 is ideal for pulsed applications such as radar, public mobile radio, and general-purpose amplification. The Analog Devices Inc. ADPA1107 is available in a 40-lead, 6mm × 6mm, lead frame chip scale package (LFCSP).Features
- POUT with PIN (27.0dBm: 45.0dBm typical at 5.4GHz to 6.0GHz)
- 30.5dB typical at 4.8GHz to 5.4GHz small signal gain
- 4.8GHz to 6.0GHz frequency range
- PAE with PIN = 27.0dBm (56.5% typical at 5.4GHz to 6.0GHz)
- VDD (28V at IDQ = 350mA with a 10% duty cycle)
- 40-lead, 6mm × 6mm, LFCSP
Applications
- Weather radars
- Marine radars
- Military radars
Functional Block Diagram
Published: 2021-08-02
| Updated: 2025-02-07
