Analog Devices Inc. AD9207 12-bit Analog-to-Digital Converter
Analog Devices Inc. AD9207 12-bit Analog-to-Digital Converter (ADC) is designed to support communication applications capable of direct sampling wideband signals up to 7.5GHz. This 12-bit ADC is a 6 GSPS ADC input that features an on-chip wideband buffer with overload protection. The AD9207 ADC includes an optional low phase noise Phase-Locked Loop (PLL) clock synthesizer to generate the ADC sampling clock. This 12-bit ADC operates with approximately 4W to 5.5W power consumption. Applications include diversity multiband and multimode digital receivers, phased array radar and electronic warfare, electronic test and measurement systems, and broadband communications systems.Features
- Buffered input with -3dB bandwidth ≥ 7.5GHz
- Full-scale of 1.4 Vp-p with RIN = 100Ω
- Overload protection clamp
- Supports dc-coupled with common-mode feedback
- AC performance at fIN < 2.6GHz
- HD2 < -63dBc and HD3 < -67dBc
- Small signal (-12dBFS) Noise Spectral Density (NSD) = -153dBFS/Hz
- Low Code Error Rate (CER) < 2 x -10-15
- Flexible ADC clocking options
- On-chip PLL or external RF clock
- Versatile digital features
- Configurable Digital Down Conversion (DDC)
- 2 coarse complex DDCs per ADC
- 4 fine complex DDCs per ADC
- Programmable 192 tap FIR filter
- Integer/fractional sample delay for Digital Pre-Distortion (DPD) or IQ mismatch
- Automatic Gain Control (AGC) support with dedicated AGC support pins
- Fast detect with low latency for fast AGC control
- Signal monitor for slow AGC control
- Auxiliary features:
- Fast frequency hopping
- ADC clock driver with selectable divide ratios
- On-chip temperature sensor
- Programmable GPIO pins
- JESD204B/C (Subclass 1) interface, 8 lanes:
- JESD204B is compatible with the maximum 15.5Gbps lane rate
- JESD204C is compatible with the maximum 24.75Gbps lane rate
- Sample/bit repeat mode for receive lane rate matching
- Supports real or complex digital data (12-bit, 16-bit, or 24-bit)
- Multichip synchronization
- Power consumption~ 4W to 5.5W
Applications
- Diversity multiband and multimode digital receivers
- Microwave point-to-point, E-Band, and 5G mm-wave
- Broadband communications systems
- Phased array radar and electronic warfare
- Electronic test and measurement systems
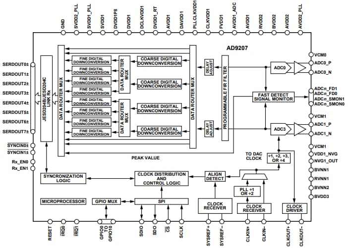
Functional Block Diagram
Published: 2021-08-23
| Updated: 2022-03-11
