Amphenol All Sensors MAMP cmH2O Calibrated Pressure Sensors
Amphenol MAMP cmH2O Calibrated Pressure Sensors feature cmH2O pressure ranges and matched pressure port volumes. These calibrated and temperature-compensated sensors are based on proprietary technology that reduces output offset or common-mode errors. The silicon, micromachined, stress-concentration enhanced structure delivers a linear output to measured pressure. Amphenol MAMP cmH2O Calibrated Pressure Sensors are ideal for medical instrumentation and respiratory breathing applications.Features
- cmH2O pressure ranges
- Matched pressure port volumes
- Temperature-compensated
- Calibrated zero and span
Applications
- Medical instrumentation
- Respiratory breathing
Specifications
- 4.5 to 5.5VDC supply voltage
- +75.5VDC common-mode pressure
- 0 to 95% RH humidity limits
- -25°C to +85°C operating temperature range
Dimensions
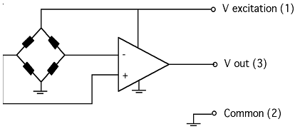
Equivalent Circuit
Published: 2019-08-16
| Updated: 2023-04-10
