Amphenol Aerospace 12-Channel 10G Copper Rugged Ethernet Switch Box
Amphenol Aerospace 12-Channel 10G Copper Rugged Ethernet Switch Box configurable for system connectivity, speeds, port types, and interoperation with high-speed media. Each copper port is capable of 10/100, 1G/10G Base-T. The switch connector shells are electroless plated with nickel and aluminum alloy and operate from -40°C to 85°C temperature range. This switch assembly contains Electrostatic Discharge (ESD) sensitive components. The surface is coated with a conductive material such as alodine or iridite. This switch contains standard AS39029 qualified size 22D contacts and octonet contacts.Features
- Host management processor:
- Multicast
- Link Aggregation Control Protocol (LACP)
- Protocol-Independent Multicast (PIM)
- Internet Group Management Protocol (IGMP)
- Simple Network Management Protocol (SNMP)
- Capable of supporting thousands of Virtual Local Area Networks (VLAN) each with its own dynamic host configuration protocol (DHCP) server for various devices within the VLAN
- Configurable cross-VLAN multicast routing
- Storm-prevention
- IPV4 and IPV6 support
- Spanning tree protocol
- Temperature and current monitoring and thermal shutdown in the event of over-temperature
- SSH, NTP, PTP, TFTP, and secure FTP support
- Custom configuration files
- Web server interaction
- Link status on demand, port counter status, configurable port speed/routing, ARP list, drop report, ping, MTU configuration, and LUA configuration
- 12-channels of copper 1G/1GBase-T, 16/106
- 28V MIL-STD-704A input module
- Electrostatic Discharge (ESD) sensitive components
- Built-in test functionality for power-up initiated and continuous operation
- Connector shells are electroless plated with nickel and aluminum alloy
- Power connector, debug connector, and maintenance connector
- MIL-Spec black painted chassis with cold plate external conduction cooling
- -40°C to 85°C operating temperature range
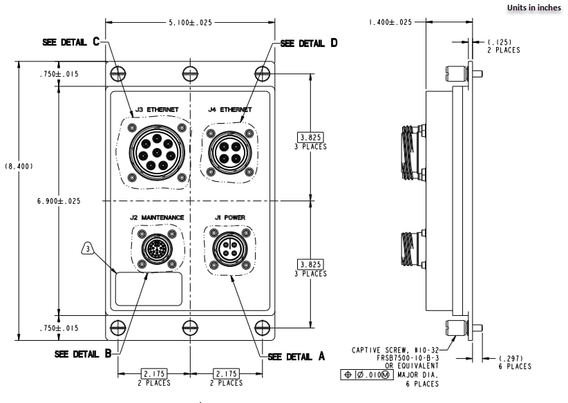
Mechanical Diagram
Block Diagram
Additional Resource
Published: 2023-09-11
| Updated: 2023-09-15
