Altera Cyclone® II FPGAs

Altera Cyclone® II 90nm FPGAs are built from the ground up for the low cost and provide a customer-defined feature set for high volume, cost-sensitive applications. Cyclone II FPGAs deliver high-performance and low-power consumption at a cost that rivals that of ASICs. Cyclone II FPGAs extend the low-cost FPGA density range to 68,416 Logic Elements (LEs) and provide up to 622 usable I/O pins and up to 1.1Mbits of embedded memory. These FPGAs are manufactured on 300mm wafers using TSMC's 90nm low-k dielectric process to ensure rapid availability and low cost. By minimizing silicon area, Cyclone II devices can support complex digital systems on a single chip at a cost that rivals that of ASICs. Altera Cyclone II FPGAs offer 60% higher performance and half the power consumption of competing 90nm FPGAs. The low cost and optimized feature set of Cyclone II FPGAs make them ideal solutions for a wide array of automotive, consumer, communications, video processing, test and measurement, and other end-market solutions.

Features

  • High-density architecture with 4,608 to 68,416 LEs:
    • M4K embedded memory blocks
    • Up to 1.1Mbits of RAM available without reducing available logic
    • 4,096 memory bits per block (4,608 bits per block including 512 parity bits)
    • Variable port configurations of ×1, ×2, ×4, ×8, ×9, ×16, ×18, ×32, and ×36
  • Embedded multipliers:
    • Up to 150 18- × 18-bit multipliers are each configurable as two independent 9- × 9-bit multipliers with up to 250MHz performance
    • Optional input and output registers
  • Flexible clock management circuitry:
    • Hierarchical clock network for up to 402.5MHz performance
    • Up to four PLLs per device provide clock multiplication and division, phase shifting, programmable duty cycle, and external clock outputs, allowing system-level clock management and skew control

Applications

  • Automotive
  • Consumer
  • Communications
  • Video processing
  • Test and measurement

EP2C20 Block Diagram

Block Diagram - Altera Cyclone® II FPGAs

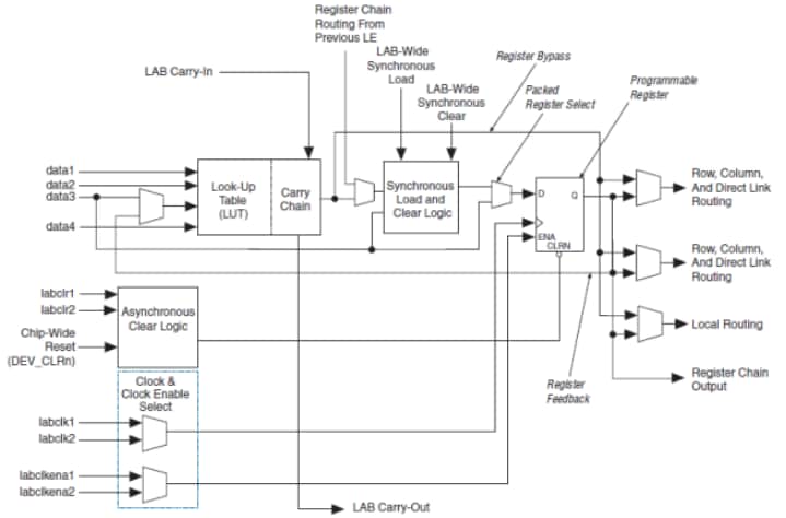
Cyclone 2 LE Figure

Altera Cyclone® II FPGAs
View Results ( 4 ) Page
Part Number Datasheet Number of Logic Elements Number of Logic Array Blocks - LABs Number of I/Os Operating Supply Voltage Maximum Operating Frequency Total Memory Package/Case
EP2C70F672C8N EP2C70F672C8N Datasheet 68416 LE 4276 LAB 422 I/O 1.15 V to 1.25 V 260 MHz 1152000 bit FBGA-672
EP2C70F896C8N EP2C70F896C8N Datasheet 68416 LE 4276 LAB 622 I/O 1.15 V to 1.25 V 260 MHz 1152000 bit FBGA-896
EP2C70F672C7N EP2C70F672C7N Datasheet 68416 LE 4276 LAB 422 I/O 1.15 V to 1.25 V 260 MHz 1152000 bit FBGA-672
EP2C35F484C8 EP2C35F484C8 Datasheet 33216 LE 2076 LAB 322 I/O 1.15 V to 1.25 V 260 MHz 483840 bit FBGA-484
Published: 2012-11-16 | Updated: 2026-01-07