Allegro MicroSystems AMT49406 Code-Free FOC BLDC Motor Controller ICs
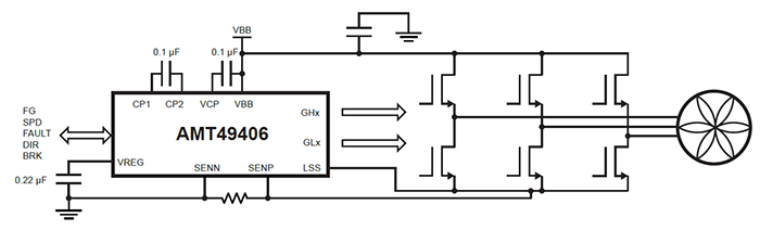
Allegro MicroSystems AMT49406 Code-Free FOC BLDC Motor Controller ICs are three-phase, sensorless, brushless DC (BLDC) motor drivers (gate drivers) operating from 5.5V to 50V. An integrated field-oriented control (FOC) algorithm assures the best efficiency and acoustic noise performance. AMT49406 devices optimize the motor startup performance in a stationary condition, a windmill condition, and a reverse windmill condition. Analog, PWM, or CLOCK inputs control the motor speed. Closed-loop speed control is optional, and the RPM-to-clock frequency ratio is programmable. An I2C interface designates the motor-rated voltage, rated current, rated speed, resistance, and startup profiles. The packages with an exposed thermal pad include a 24-contact 4mm x 4mm QFN (suffix ES) and a 24-lead TSSOP (suffix LP).Features
- Code-free sensorless field-oriented control (FOC)
- Proprietary non-reverse fast startup
- Soft-On/Soft-Off (SOSO) for quiet operation
- Analog, PWM, and Clock mode speed control
- Closed-loop speed control
- Configurable current limit
- Windmill startup operation
- Lock detection
- Short-circuit protection (OCP)
- Brake and direction inputs
- I2C interface
- Lead-free and RoHS compliant
Applications
- Ceiling fans
- Pedestal fans
- Bathroom exhaust fans
- Home appliance fans and pumps
Specifications
- Package options
- 24-contact QFN with exposed thermal pad
- 24-lead TSSOP with exposed thermal pad
- 5.5V to 50V operating supply voltage range
- 2.7V to 2.95V reference voltage range
- ±0.5% PWM duty on/off threshold
- Gate drive output
- 6.5V minimum high-side, 6.8V typical
- 6.5V minimum low-side, 7.3V typical
- Gate drive current
- 55mA typical source
- 105mA typical sink
- 1Hz to 2000Hz clock input frequency range
- 400ns typical dead time
- 23.3kHz to 25.4kHz motor PWM frequency range
- -40°C to +105°C operating temperature range
- 100% matte-tin leadframe plating
Typical Application
Published: 2023-08-09
| Updated: 2023-08-29
