Allegro MicroSystems AMT49100 & AMT49101 Three-Phase MOSFET Drivers
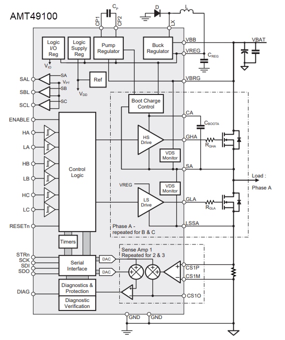
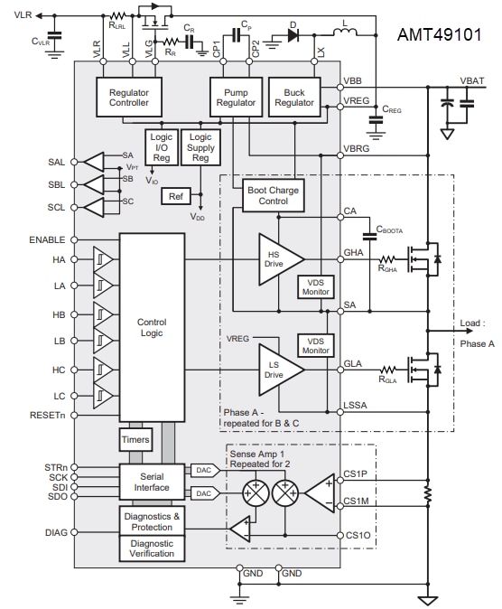
Allegro MicroSystems AMT49100 and AMT49101 Three-Phase MOSFET Drivers control MOSFETs connected in a 3-phase bridge arrangement and are designed for 48V automotive power applications. These drivers feature a fixed-frequency buck converter that provides a regulated gate drive and bootstrap charge voltage over the 10V to 80V supply voltage range. The AMT49100 and AMT49101 drivers provide full control over all six power MOSFETs in the 3-phase bridge. This allows the motors to be driven with block communication or sinusoidal excitation. These MOSFET drivers feature cross-conduction protection with adjustable dead time, SPI-compatible serial interface, extensive programmable diagnostics, three programmable current sense amplifiers, and programmable control sense amplifiers.The AMT49100 and AMT49101 MOSFET drivers use the integrated crossover control and optional programmable dead time to protect the power MOSFETs from shoot-through. These MOSFET drivers feature integrated diagnostics that provide indications of multiple internal faults, system faults, and power bridge faults. This can be configured to protect the power MOSFETs under most short circuit conditions. The AMT49100 and AMT49101 MOSFET drivers are automotive AEC-Q100 qualified and come in a 48-pin QFP package with an exposed thermal pad.
Features
- 3-phase bridge MOSFET driver
- Bootstrap gate drive for N-channel MOSFET bridge
- Cross-conduction protection with adjustable dead time
- Fixed-frequency buck converter
- Operation at any PWM duty cycle up to and including 100%
- Programmable gate drive strength
- 10V to 80 V supply voltage operating range
- Programmable logic supply regulator controller (AMT49101)
- Programmable 3.3V or 5V CMOS compatible logic I/O
- Two programmable current sense amplifiers
- SPI-compatible serial interface
- Bridge control by direct logic inputs or serial interface
- Programmable control input logic sense
- Extensive programmable diagnostics
- Diagnostic verification
- Safety-assist features
- Automotive AEC-Q100 qualified
- A2-SIL™ product—device features for safety-critical systems
Published: 2024-07-16
| Updated: 2024-08-20
